

作品包括:
Word版设计说明书1份
CAD版本图纸,共6张
摘要
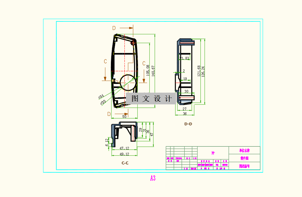
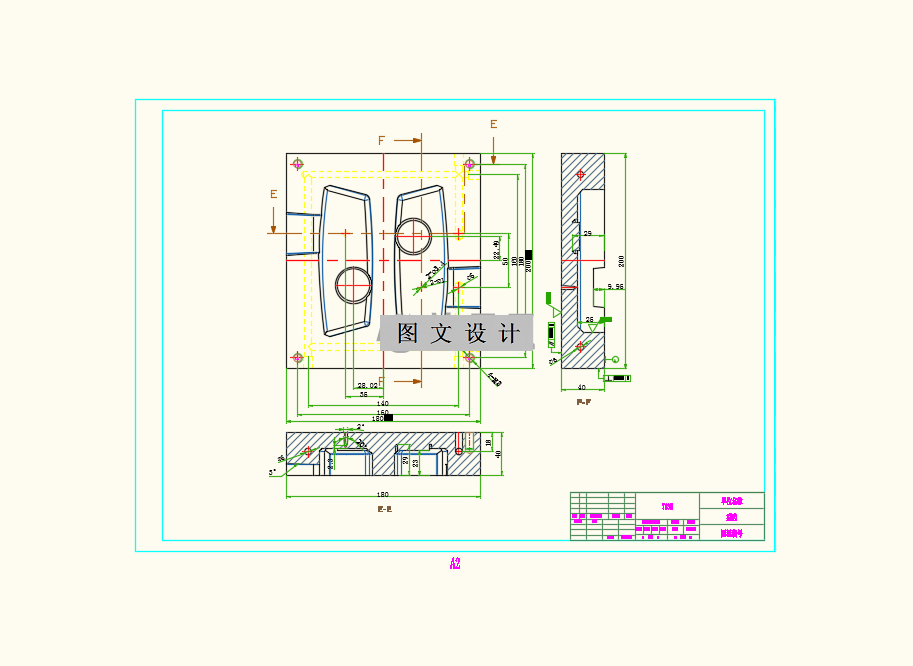
文中所需加工零件为快乐王子儿童座椅之 FS9005 塑件,最开始需针对注塑模展开设计,第一步对型腔展开设计,其后确定模架,紧接着需要设计浇注部分,以及推出装置,如何设计冷却部分,冷却水管如何布局,另外还需求算出设计之中所有数据,最终确定所用设备之型号,绘制图纸,另外展开理论分析。 此次所设计模具拥有两个腔室,若想将物料投放到模具之中,需从侧浇口开展,所用注塑机为 HTF86XA,模具之中还需安排冷却装置,使用电脑之中绘图软件,将所有图纸绘出,模具加工务必合理,通过文字将设计原理阐述出,其中穿插图纸以及计算流程。
温馨提示:
1、题目前面的备注【字母数字编号】为本站整理分类的编号,与课题内容无关,请选题时忽视;
2、若题目上备注三维,则表示文件里包含三维源文件,由于三维组成零件数量较多,为保证预览截图的简洁性,本站将三维文件夹进行了打包。三维及CAD预览截图,均为本站电脑打开软件进行截图的,保证能够打开,下载原件超高清,下载后解压即可;
3、本站所有资源如无特殊说明,都需要本地电脑安装Office2007。图纸软件为AutoCAD,PROE,UG,SolidWorks,CATIA等;
4、本站所有图文资料仅供用户学习参考,不作为任何商用或其他用途;
5、本站不保证下载资源的准确性、安全性和完整性, 不包修改,不支持退换,同时也不承担用户因使用这些下载资源对自己和他人造成任何形式的伤害或损失;
6、 下载文件中如有侵权或不适当内容,请与我们联系,我们立即纠正。