

作品包括:
Word版设计说明书1份
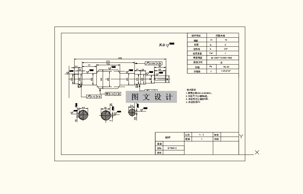
CAD版本图纸,共2张
摘要
液压控制系统有着许多优点,其中执行器的高负荷刚性和高输出对重量比的优点是人们使用最普遍的。同时液压控制系统有着非常好的灵活性,外界对该控制系统有着很大的关注和期待。随着液压控制系统的高精度要求不断的完善和提高,高精度恒压控制系统的设计成了人们经常讨论的话题,发展前景很广。单片机和计算机的发展使得液压控制系统的作用可以应用在许多领域,甚至可以完成得比设计要求还要完美。 此次设计将采用单片机作为控制器,液压系统的恒压控制将配备高精度的AD和DA 与压力传感器配合完成,利用电磁阀控制气源冲开或冲关气动阀来保证系统运行的安全。伺服控制器控制伺服电机通过减速器和蜗轮蜗杆机构控制丝杆的进出,排出活塞中的气体保证泵体可以进油和出油。
温馨提示:
1、题目前面的备注【字母数字编号】为本站整理分类的编号,与课题内容无关,请选题时忽视;
2、若题目上备注三维,则表示文件里包含三维源文件,由于三维组成零件数量较多,为保证预览截图的简洁性,本站将三维文件夹进行了打包。三维及CAD预览截图,均为本站电脑打开软件进行截图的,保证能够打开,下载原件超高清,下载后解压即可;
3、本站所有资源如无特殊说明,都需要本地电脑安装Office2007。图纸软件为AutoCAD,PROE,UG,SolidWorks,CATIA等;
4、本站所有图文资料仅供用户学习参考,不作为任何商用或其他用途;
5、本站不保证下载资源的准确性、安全性和完整性, 不包修改,不支持退换,同时也不承担用户因使用这些下载资源对自己和他人造成任何形式的伤害或损失;
6、 下载文件中如有侵权或不适当内容,请与我们联系,我们立即纠正。