

作品包括:
Word版设计说明书1份
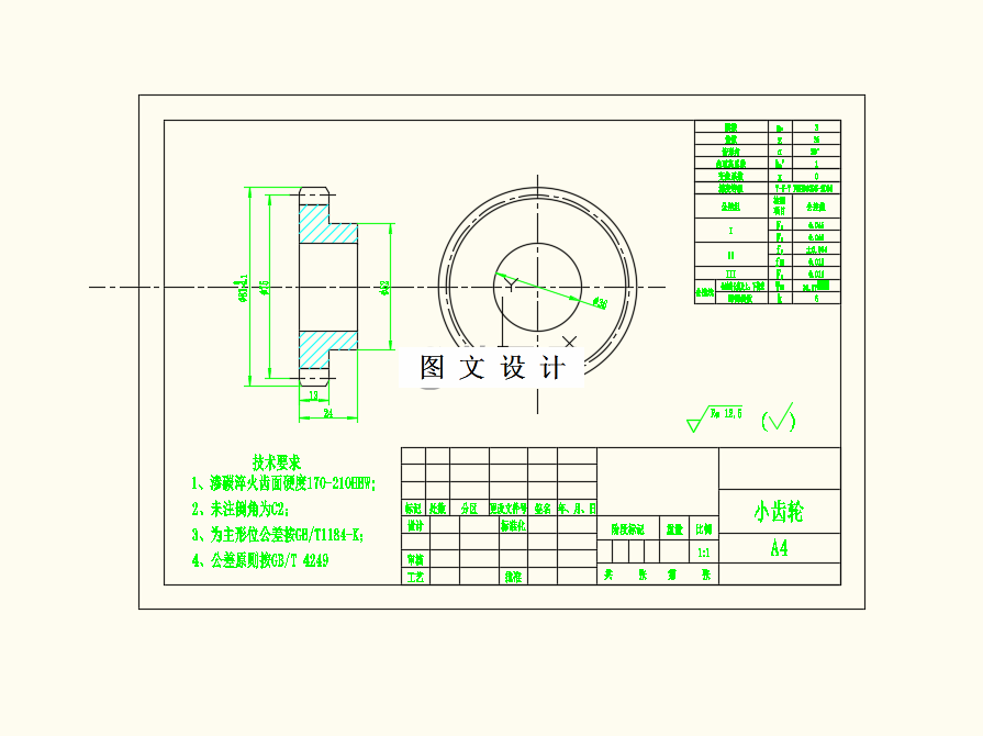
CAD版本图纸,共8张
摘要
本文是主轴箱的二维箱体及零部件设计,即基于 CAD 技术,在计算机上绘制钻床主轴箱的整体方案以及各组件之间的零件图,待设计完成之后,采用 软件对设计产品进行建模,可以及时发现装配过程中可能产生的问题,进而迅速反应,快速修改设计方案。在二维设计方案中,依托现有的机械设计手册,组合机床设计手册等机械设计专门手册,首先对主轴箱体进行整体设计绘制,进而对主轴、齿轮、轴承等零部件选型配合。
温馨提示:
1、题目前面的备注【字母数字编号】为本站整理分类的编号,与课题内容无关,请选题时忽视;
2、若题目上备注三维,则表示文件里包含三维源文件,由于三维组成零件数量较多,为保证预览截图的简洁性,本站将三维文件夹进行了打包。三维及CAD预览截图,均为本站电脑打开软件进行截图的,保证能够打开,下载原件超高清,下载后解压即可;
3、本站所有资源如无特殊说明,都需要本地电脑安装Office2007。图纸软件为AutoCAD,PROE,UG,SolidWorks,CATIA等;
4、本站所有图文资料仅供用户学习参考,不作为任何商用或其他用途;
5、本站不保证下载资源的准确性、安全性和完整性, 不包修改,不支持退换,同时也不承担用户因使用这些下载资源对自己和他人造成任何形式的伤害或损失;
6、 下载文件中如有侵权或不适当内容,请与我们联系,我们立即纠正。