

作品包括:
Word版设计说明书1份
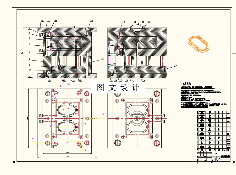
CAD版本图纸,共8张
摘要
本文对控温计内固定板的塑料注射模具的设计进行了详细介绍。完成塑料结构分析,决定采用一模两腔,侧浇口,大水口两板模具。在开始进行模具结构设计之前运用三维绘图软件和AUTOCAD二维绘图软件对塑件三维立体图及产品零件图进行绘制,从塑件产品的成型结构特征、分型面位置、浇注系统、型芯型腔等多个不同组件对整个塑件注射模设计的过程进行了具体地描述。计算校核注射机的注塑压力、锁模力和顶出力用于选用合适的注塑机,从而保证塑件的质量要求。通过这样的方法设计出的注塑模结构才能确保模具工作运行可靠。
温馨提示:
1、题目前面的备注【字母数字编号】为本站整理分类的编号,与课题内容无关,请选题时忽视;
2、若题目上备注三维,则表示文件里包含三维源文件,由于三维组成零件数量较多,为保证预览截图的简洁性,本站将三维文件夹进行了打包。三维及CAD预览截图,均为本站电脑打开软件进行截图的,保证能够打开,下载原件超高清,下载后解压即可;
3、本站所有资源如无特殊说明,都需要本地电脑安装Office2007。图纸软件为AutoCAD,PROE,UG,SolidWorks,CATIA等;
4、本站所有图文资料仅供用户学习参考,不作为任何商用或其他用途;
5、本站不保证下载资源的准确性、安全性和完整性, 不包修改,不支持退换,同时也不承担用户因使用这些下载资源对自己和他人造成任何形式的伤害或损失;
6、 下载文件中如有侵权或不适当内容,请与我们联系,我们立即纠正。