

作品包括:
Word版设计说明书1份
CAD版本图纸,共7张
摘要
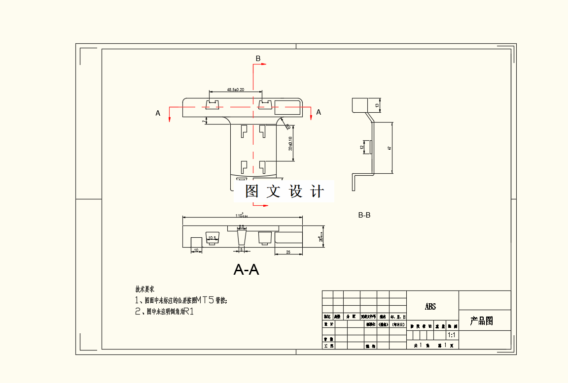
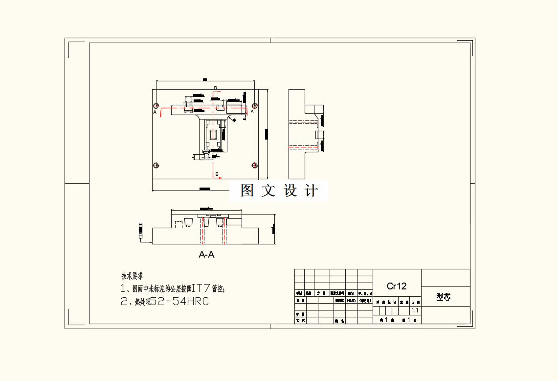
本课题来源于实践,针对某设备中的一种弯曲盒盖使用软件模拟该塑料制件的成型过程并根据模拟分析的结果选择合适的方案来设计模具。制件形状弯曲部位较多,形状较为复杂,材料为ABS,要求成型后的塑料制件尺寸精确,没有翘曲变形,表面整洁、没有缺陷。为了便于模拟注塑过程,先用软件对塑料制件进行三维建模,从塑料制件的材料,成型之后的使用性能以及用途分析塑料制件的加工工艺条件;紧接着利用Moldflow软件对塑料制件进行注射成型的模拟,选择合适的的注射成型条件和工艺。然后,通过以上分析确定模具分型面为弯曲盒盖的底面、一模一腔、浇口形式为直浇口。再进行注射机、模架、浇注系统、成型所用到的主要零件、脱模机构、冷却系统等各个零件进行相关的计算和选择,确定注塑机型号为XS-ZY60/40、模架为GB/T12555-2006A型250mm×300mm、组合式型芯与型腔、推杆推出机构完成塑件的脱模、冷却水道开在距离制件表面10mm处。完成所有设计工作之后,根据设计结果画出模具装配图和零件图。937803
温馨提示:
1、题目前面的备注【字母数字编号】为本站整理分类的编号,与课题内容无关,请选题时忽视;
2、若题目上备注三维,则表示文件里包含三维源文件,由于三维组成零件数量较多,为保证预览截图的简洁性,本站将三维文件夹进行了打包。三维及CAD预览截图,均为本站电脑打开软件进行截图的,保证能够打开,下载原件超高清,下载后解压即可;
3、本站所有资源如无特殊说明,都需要本地电脑安装Office2007。图纸软件为AutoCAD,PROE,UG,SolidWorks,CATIA等;
4、本站所有图文资料仅供用户学习参考,不作为任何商用或其他用途;
5、本站不保证下载资源的准确性、安全性和完整性, 不包修改,不支持退换,同时也不承担用户因使用这些下载资源对自己和他人造成任何形式的伤害或损失;
6、 下载文件中如有侵权或不适当内容,请与我们联系,我们立即纠正。