

作品包括:
Word版设计说明书1份
CAD版本图纸,共6张
摘要
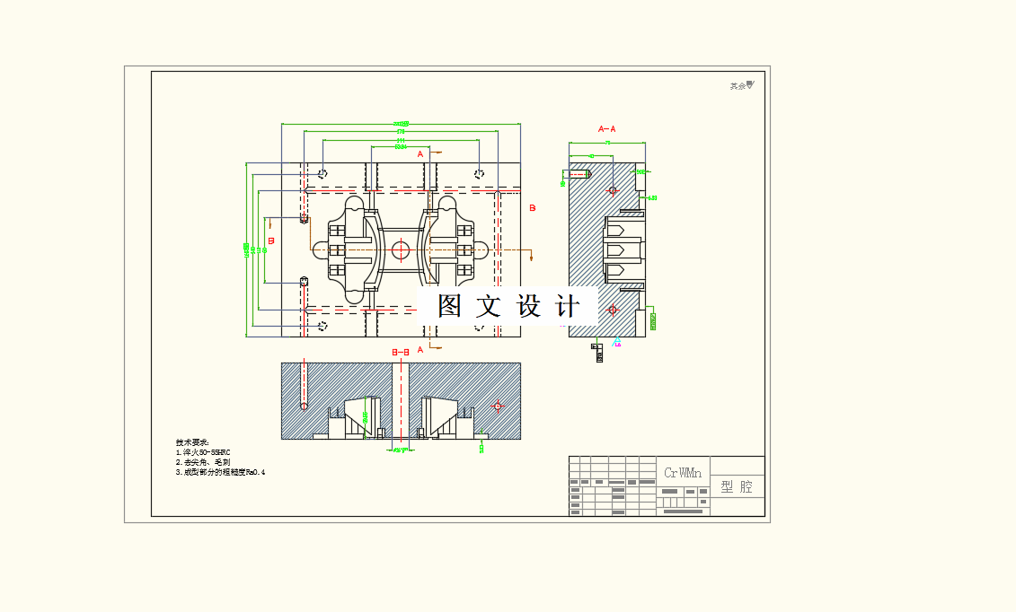
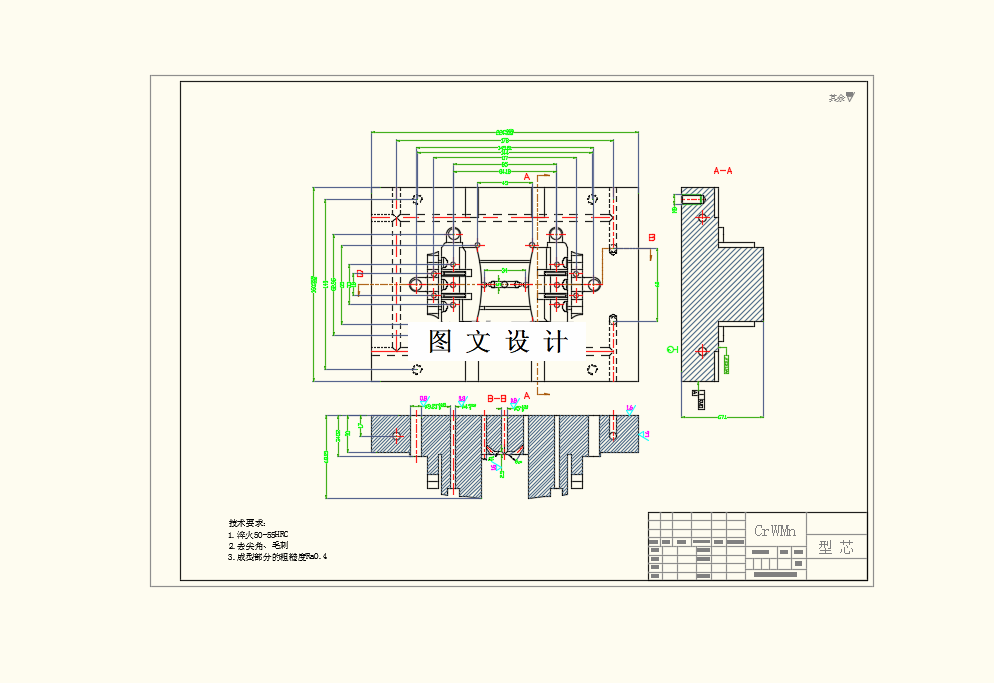
该课题主要是关于对塑料配件外壳的工艺参数分析,CAE分析优化以及内部结构布局设计。首先,凭借软件来进行对该制件的第一步建模,再依靠Moldflow软件对制件进行仿真注塑成型,借此实现对制件的模拟测试以及进一步分析。通过这两步最后实现对该之间的填充分析以及最终设计。考虑到该制件的使用环境以及性能参数需要,我们最终确定选用ABS工程塑料。该塑料件外形结构为:小而复杂的立体结构,内部两侧存在侧抽芯机构,外部两侧存在圆弧凸台。考虑到该制件生产要求为大批量生产,所以采用一模两腔的生产方法,同时通过斜导柱、滑块进行侧抽芯。最终通过推杆推出机构实现塑件从模具内的推出。本文旨在对该塑料制件进行合理的设计与计算,借此来证明该模具机构的可行性。
温馨提示:
1、题目前面的备注【字母数字编号】为本站整理分类的编号,与课题内容无关,请选题时忽视;
2、若题目上备注三维,则表示文件里包含三维源文件,由于三维组成零件数量较多,为保证预览截图的简洁性,本站将三维文件夹进行了打包。三维及CAD预览截图,均为本站电脑打开软件进行截图的,保证能够打开,下载原件超高清,下载后解压即可;
3、本站所有资源如无特殊说明,都需要本地电脑安装Office2007。图纸软件为AutoCAD,PROE,UG,SolidWorks,CATIA等;
4、本站所有图文资料仅供用户学习参考,不作为任何商用或其他用途;
5、本站不保证下载资源的准确性、安全性和完整性, 不包修改,不支持退换,同时也不承担用户因使用这些下载资源对自己和他人造成任何形式的伤害或损失;
6、 下载文件中如有侵权或不适当内容,请与我们联系,我们立即纠正。