

作品包括:
Word版设计说明书1份
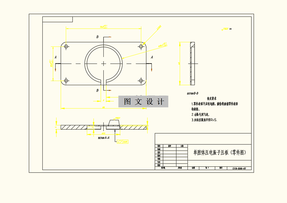
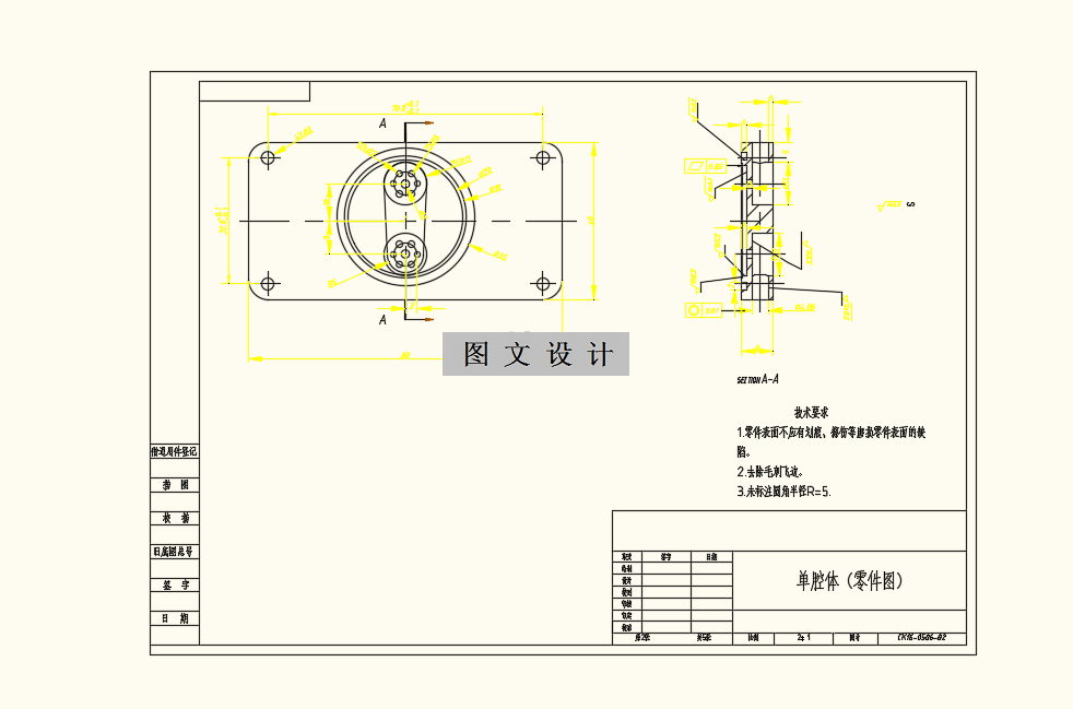
CAD版本图纸,共5张
UG三维图一套
摘要
设计三腔并联压电泵旨在提高压电泵输送流体的能力。三腔并联压电泵在结构上有一字型和层叠型两种不同结构,为了使压电泵的结构更加简单,本次设计选用的为层叠结构。通过比较三种不同工作方式下三腔并联泵的流量和压力,可以发现泵送气体的流量要大于泵送液体的流量;1、3 同相 2 异相工作时泵送气体流量最大;1、2 同相 3 异相工作时泵送液体流量最大。在 40-400Hz 范围内,流量和压力是跟频率有关的,泵送气体的最大值可以达到 3099ml/min,泵送液体最大值为 588ml/min。实验证明三腔并联可以大大的提高压电泵的输送能力。
温馨提示:
1、题目前面的备注【字母数字编号】为本站整理分类的编号,与课题内容无关,请选题时忽视;
2、若题目上备注三维,则表示文件里包含三维源文件,由于三维组成零件数量较多,为保证预览截图的简洁性,本站将三维文件夹进行了打包。三维及CAD预览截图,均为本站电脑打开软件进行截图的,保证能够打开,下载原件超高清,下载后解压即可;
3、本站所有资源如无特殊说明,都需要本地电脑安装Office2007。图纸软件为AutoCAD,PROE,UG,SolidWorks,CATIA等;
4、本站所有图文资料仅供用户学习参考,不作为任何商用或其他用途;
5、本站不保证下载资源的准确性、安全性和完整性, 不包修改,不支持退换,同时也不承担用户因使用这些下载资源对自己和他人造成任何形式的伤害或损失;
6、 下载文件中如有侵权或不适当内容,请与我们联系,我们立即纠正。