

作品包括:
Word版设计说明书1份
CAD版本图纸,共4张
摘要
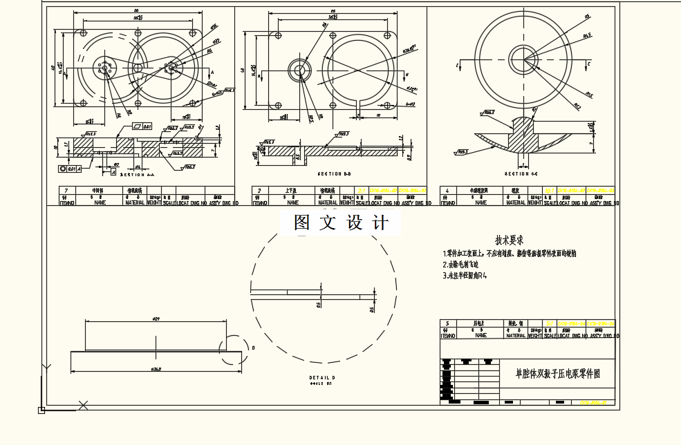
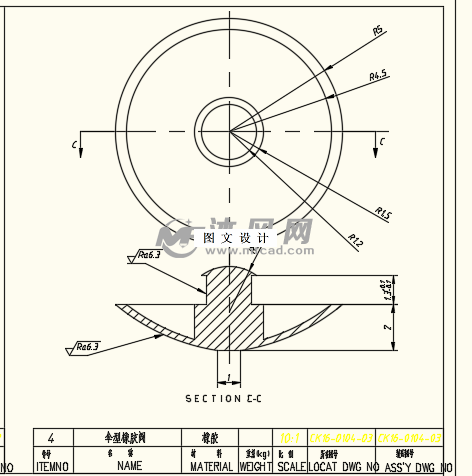
本次设计的对象为单腔双振子压电泵。该泵的两个振子采用错位结构,使用伞型橡胶阀作为截止阀。制作试验样机,研究在不同工作频率下,不同驱动形式对单腔双振子压电泵的输出性能的影响和输送不同介质时压电泵的输出情况。 本次设计中采用基板直径为35 mm、陶瓷直径为29 mm压电单晶片振子,建立了压电振子振动的力学模型,确定了压电泵初始容积为3.4×10 -7m3,在80V电压的驱动下的容积变化量为7.5×10 -8m3。 在实验中,分别对不同频率下,同步驱动和异步驱动时压电泵的输出液体流量和压力进行了测量。测得异步驱动下最大输出流量为269.4ml/min, 最大输出压力为89.8kPa。同时对压电泵驱动气体的情况进行了试验研究,发现同步驱动下气体的输出效果要好于异步驱动。
温馨提示:
1、题目前面的备注【字母数字编号】为本站整理分类的编号,与课题内容无关,请选题时忽视;
2、若题目上备注三维,则表示文件里包含三维源文件,由于三维组成零件数量较多,为保证预览截图的简洁性,本站将三维文件夹进行了打包。三维及CAD预览截图,均为本站电脑打开软件进行截图的,保证能够打开,下载原件超高清,下载后解压即可;
3、本站所有资源如无特殊说明,都需要本地电脑安装Office2007。图纸软件为AutoCAD,PROE,UG,SolidWorks,CATIA等;
4、本站所有图文资料仅供用户学习参考,不作为任何商用或其他用途;
5、本站不保证下载资源的准确性、安全性和完整性, 不包修改,不支持退换,同时也不承担用户因使用这些下载资源对自己和他人造成任何形式的伤害或损失;
6、 下载文件中如有侵权或不适当内容,请与我们联系,我们立即纠正。