

作品包括:
Word版设计说明书1份
CAD版本图纸,共6张
摘要
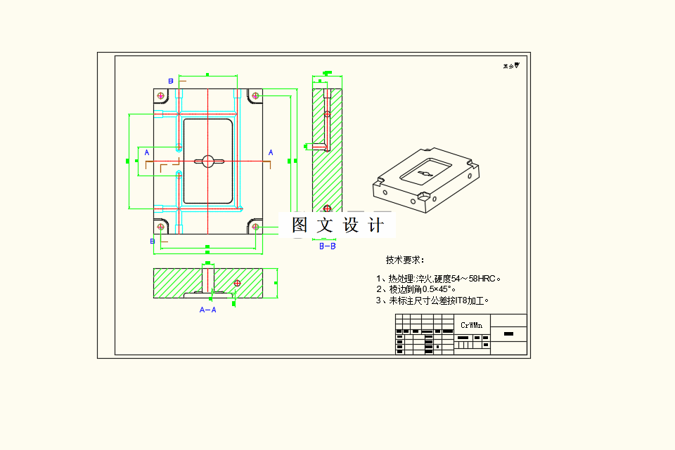
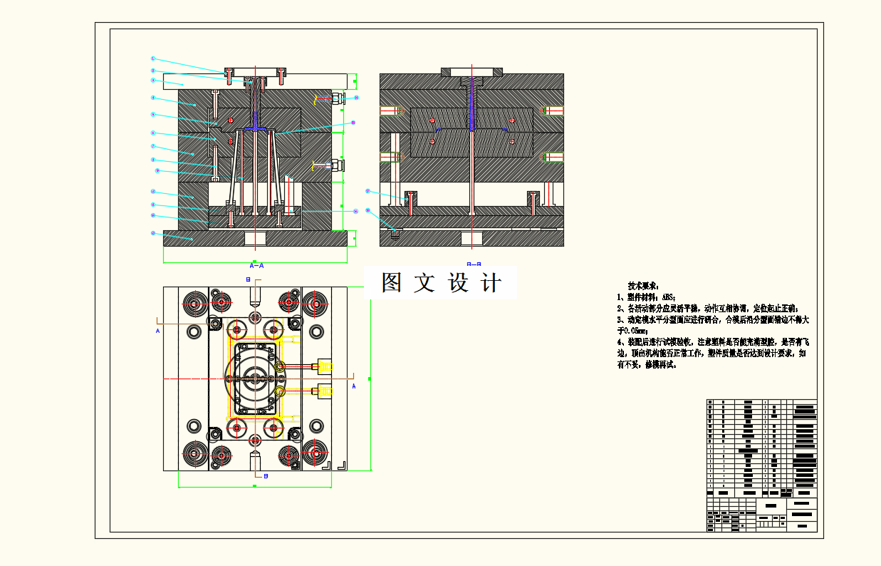
本次设计题目是卡盖的注塑模具设计,在设计前首先要了解注塑模具的成型过程,同时考虑经济因素,降本增效,最后保证实际生产方便安全。卡盖的模具设计需要考虑到注塑、冷却、开模、取件等流程通过这些流程再一一设计相关的成型系统。 设计详细介绍注塑模具的注射机选择、产品零件的分析、分型面的选择、型芯型腔的排列、标准件的选择,注射容量的计算、锁模力的计算、顶出系统的设计、浇注系统的设计、导向机构的设计、模具成型零件尺寸计算、调用模架等,用CAD进行二维图绘制及标注卡盖的装配图及重要零件图。
温馨提示:
1、题目前面的备注【字母数字编号】为本站整理分类的编号,与课题内容无关,请选题时忽视;
2、若题目上备注三维,则表示文件里包含三维源文件,由于三维组成零件数量较多,为保证预览截图的简洁性,本站将三维文件夹进行了打包。三维及CAD预览截图,均为本站电脑打开软件进行截图的,保证能够打开,下载原件超高清,下载后解压即可;
3、本站所有资源如无特殊说明,都需要本地电脑安装Office2007。图纸软件为AutoCAD,PROE,UG,SolidWorks,CATIA等;
4、本站所有图文资料仅供用户学习参考,不作为任何商用或其他用途;
5、本站不保证下载资源的准确性、安全性和完整性, 不包修改,不支持退换,同时也不承担用户因使用这些下载资源对自己和他人造成任何形式的伤害或损失;
6、 下载文件中如有侵权或不适当内容,请与我们联系,我们立即纠正。