

作品包括:
Word版设计说明书1份
CAD版本图纸,共7张
摘要
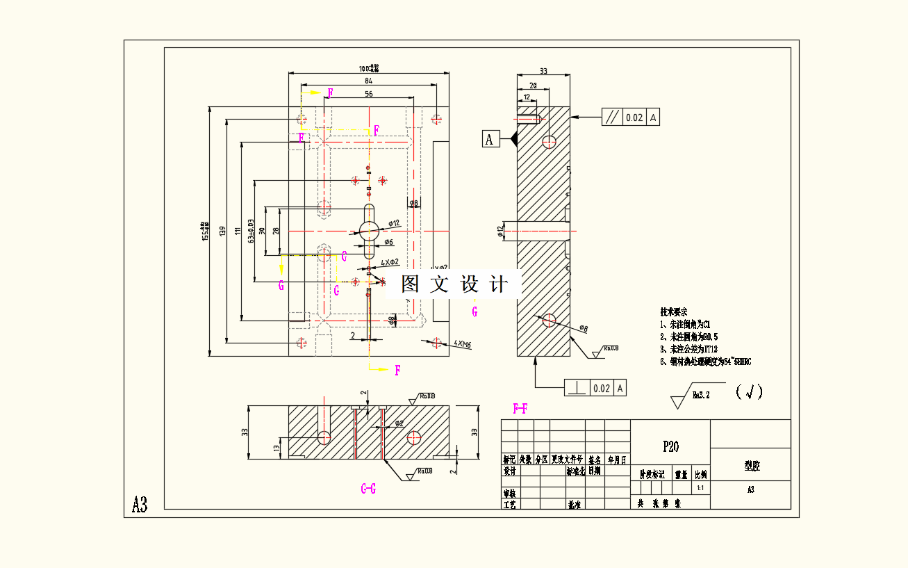
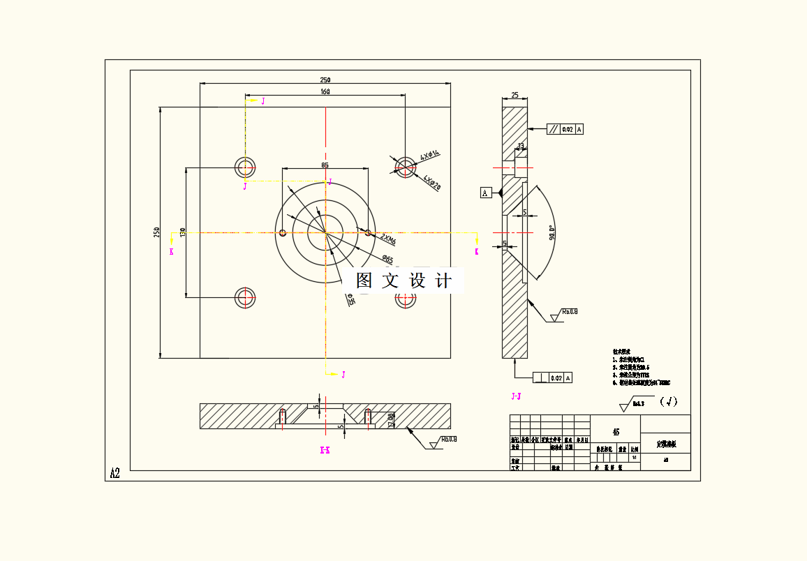
如今, 机械制造在快速发展, 注塑模具在塑料模具制造中扮演一个必不可少的一部分, 被称为“ 工业之母” 的模具工业的地位也显得越来越重要。而塑料模具又是在整个模具工业中的一支独秀, 正向着高速、高效、自动化、精密化方向发展。由过去的手工设计制造发展到了今天引入 CAD/CAM/CAE 等先进技术, 获得了巨大的收益 本设计题目是反光镜模具的注塑模具设计, 在设计前我们先要了解注塑模具的的制作过程, 同时也要考虑国家的经济和公司的财力。反光镜的模具设计需要考虑到注塑、冷却、保压、开模等流程来一一设计相关的成型系统。本设计采用软件来进行塑料模具设计。在设计中, 分型面采用在最大断面处, 选择合适的注塑机, 检查注塑机的各个参数和校正, 绘画模具的结构和局部图, 绘制二维图和草图。
温馨提示:
1、题目前面的备注【字母数字编号】为本站整理分类的编号,与课题内容无关,请选题时忽视;
2、若题目上备注三维,则表示文件里包含三维源文件,由于三维组成零件数量较多,为保证预览截图的简洁性,本站将三维文件夹进行了打包。三维及CAD预览截图,均为本站电脑打开软件进行截图的,保证能够打开,下载原件超高清,下载后解压即可;
3、本站所有资源如无特殊说明,都需要本地电脑安装Office2007。图纸软件为AutoCAD,PROE,UG,SolidWorks,CATIA等;
4、本站所有图文资料仅供用户学习参考,不作为任何商用或其他用途;
5、本站不保证下载资源的准确性、安全性和完整性, 不包修改,不支持退换,同时也不承担用户因使用这些下载资源对自己和他人造成任何形式的伤害或损失;
6、 下载文件中如有侵权或不适当内容,请与我们联系,我们立即纠正。