

作品包括:
Word版设计说明书1份
CAD版本图纸,共7张
摘要
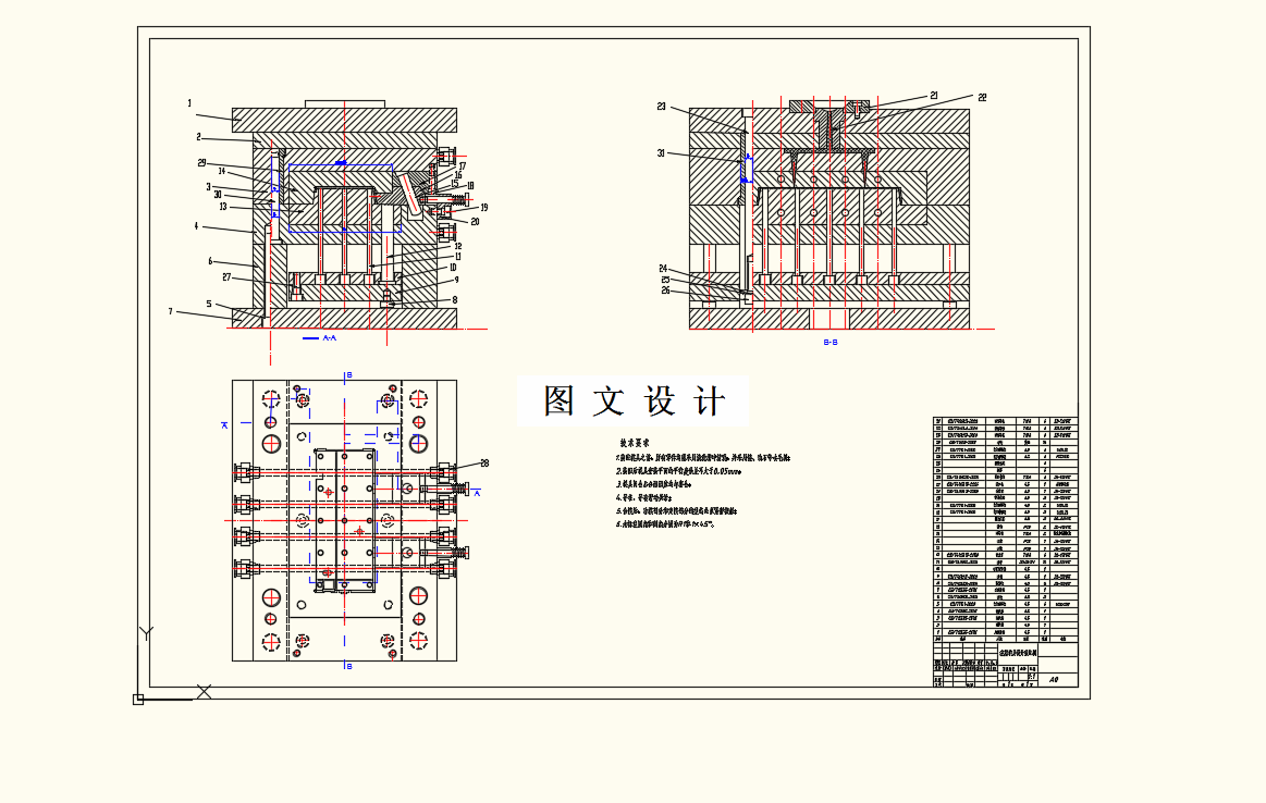
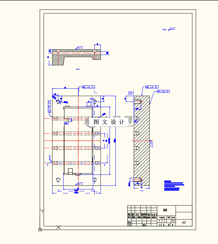
本课题是一款儿童安全座椅上附带的某一塑料玩具部件,外形尺寸为 182mm ×80mm×22mm,壁厚 2mm,各壁厚尺寸较均匀。以壳体底面为动定模的分型面。下表面设计为两个卡扣,右端有两个通孔,主体内侧多处设有加强肋。成型该塑件的注射模具结构上,除了需要重点考虑对四周的卡扣和上端圆孔的外部侧抽芯问题,还要合理设计塑件的脱模机构和排气装置。作为外观件,其外表面整体要求花纹纹路清晰、美观,无流痕、疤痕等瑕疵。 本制件的材料选用 PC/ABS,采用点浇口浇注形式,制件侧面有两个通孔采用斜导柱抽芯机构进行抽芯,推出机构采用推杆推出机构,冷却系统选用循环式冷却流道。该注塑模具总体方案合理可行。
温馨提示:
1、题目前面的备注【字母数字编号】为本站整理分类的编号,与课题内容无关,请选题时忽视;
2、若题目上备注三维,则表示文件里包含三维源文件,由于三维组成零件数量较多,为保证预览截图的简洁性,本站将三维文件夹进行了打包。三维及CAD预览截图,均为本站电脑打开软件进行截图的,保证能够打开,下载原件超高清,下载后解压即可;
3、本站所有资源如无特殊说明,都需要本地电脑安装Office2007。图纸软件为AutoCAD,PROE,UG,SolidWorks,CATIA等;
4、本站所有图文资料仅供用户学习参考,不作为任何商用或其他用途;
5、本站不保证下载资源的准确性、安全性和完整性, 不包修改,不支持退换,同时也不承担用户因使用这些下载资源对自己和他人造成任何形式的伤害或损失;
6、 下载文件中如有侵权或不适当内容,请与我们联系,我们立即纠正。