

作品包括:
Word版设计说明书1份
工艺卡一套
CAD版本图纸,共9张
摘要
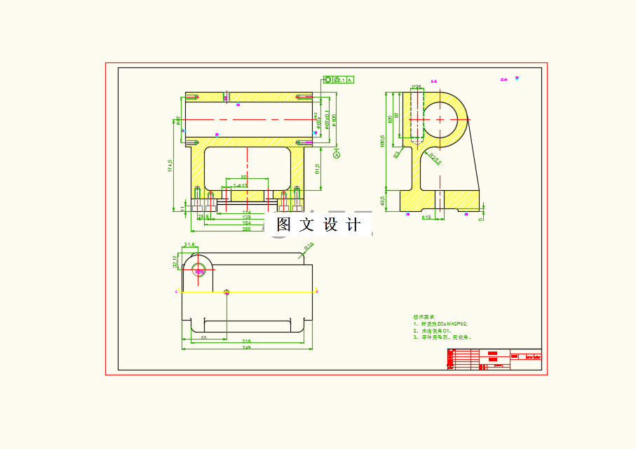
这个设计主要的工作内容是机床尾座主要非标零件工艺设计及装配图的绘制,我的设计的零件是C-632A仪表机床尾座. C-632A仪表机床尾座的作用利用尾座可以车偏心轴; 我的主要任务是是关于尾座各种零件的加工工艺路线设计。利用自己所学的专业性知识与文献资料进行车床尾座的的加工工艺设计以及确定加工的尺寸和要求,再来选择夹具的设计。本文对车床尾座各种零件的加工方法的设计与选择进行了合理分析。 本设计主要的流程安排是先进行车床尾座的加工工艺路线设计。主要的工艺流程采用先加工面后加工孔的原则.然后还需考虑刀具的合理性,量检具是否能测量所加工的尺寸,参数是否最优化等.这样才能保证零件的加工尺寸和精
温馨提示:
1、题目前面的备注【字母数字编号】为本站整理分类的编号,与课题内容无关,请选题时忽视;
2、若题目上备注三维,则表示文件里包含三维源文件,由于三维组成零件数量较多,为保证预览截图的简洁性,本站将三维文件夹进行了打包。三维及CAD预览截图,均为本站电脑打开软件进行截图的,保证能够打开,下载原件超高清,下载后解压即可;
3、本站所有资源如无特殊说明,都需要本地电脑安装Office2007。图纸软件为AutoCAD,PROE,UG,SolidWorks,CATIA等;
4、本站所有图文资料仅供用户学习参考,不作为任何商用或其他用途;
5、本站不保证下载资源的准确性、安全性和完整性, 不包修改,不支持退换,同时也不承担用户因使用这些下载资源对自己和他人造成任何形式的伤害或损失;
6、 下载文件中如有侵权或不适当内容,请与我们联系,我们立即纠正。