

作品包括:
Word版设计说明书1份
CAD版本图纸,共7张
摘要
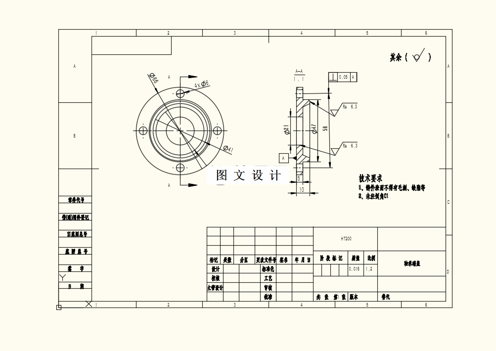
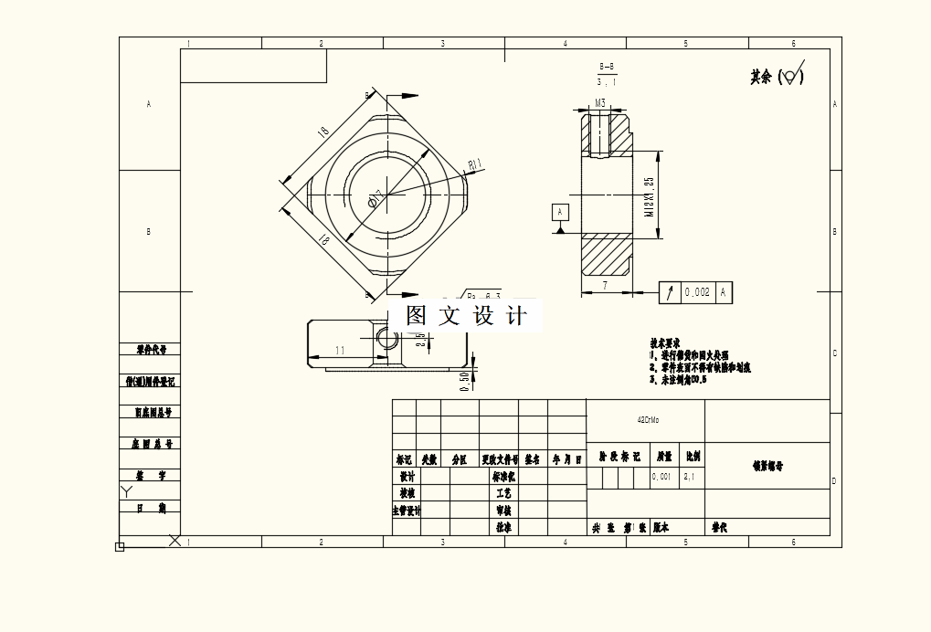
本文主要阐述了一种自适应的金刚石线切割设备,本设计中主要机构部件包括走丝机构,张紧机构,夹具装夹机构,锯丝微调机构等,设计一种张力检测机构形成张力反馈系统,与张紧机构结合保证了张紧力在一定范围内浮动,提高了金刚石线切割过程的张力平稳性和切割效率,充分发挥了金刚石线切割设备的优点。同时对锯丝的导轮机构进行优化,设计成可微调的机构,可以在一定的范围内对锯丝进行调节来改善锯丝切割过程中的波动。
温馨提示:
1、题目前面的备注【字母数字编号】为本站整理分类的编号,与课题内容无关,请选题时忽视;
2、若题目上备注三维,则表示文件里包含三维源文件,由于三维组成零件数量较多,为保证预览截图的简洁性,本站将三维文件夹进行了打包。三维及CAD预览截图,均为本站电脑打开软件进行截图的,保证能够打开,下载原件超高清,下载后解压即可;
3、本站所有资源如无特殊说明,都需要本地电脑安装Office2007。图纸软件为AutoCAD,PROE,UG,SolidWorks,CATIA等;
4、本站所有图文资料仅供用户学习参考,不作为任何商用或其他用途;
5、本站不保证下载资源的准确性、安全性和完整性, 不包修改,不支持退换,同时也不承担用户因使用这些下载资源对自己和他人造成任何形式的伤害或损失;
6、 下载文件中如有侵权或不适当内容,请与我们联系,我们立即纠正。