

作品包括:
Word版设计说明书1份,共30页,约9100字
工序卡6张
工艺过程卡1张
CAD版本图纸,共4张
SW三维图一套
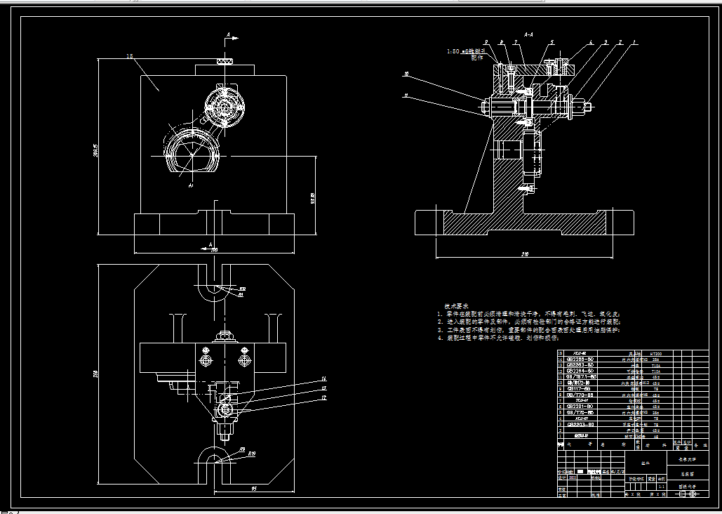
![1762334614877894.png )[8E$}2ZEWG~$]TBE2DU7G7.png](/uploadfiles/20251105/1762334614877894.png)
目录
摘 要 I
Abstract II
目录 III
序 言 1
第1章 零件的分析 2
1.1 零件的作用 2
1.2 零件的工艺分析 2
第2章 工艺规程的设计 4
2.1 确定毛坯的制造形式 4
2.2 基准的选择 4
2.3制定工艺路线 5
2.4 倒挡变速叉的偏差计算 5
3 切削用量计算 7
3.1 工序20:粗铣Φ24两端面 7
3.1.1 工步一:粗铣Φ24右端面 7
3.1.2 工步二 粗铣∅24另外一侧端面 8
3.2 工序30:钻、扩、铰孔¢16 9
3.3工序40 粗铣R34的两端面 10
3.4 工序50 精铣R35的两端面 11
3.5 工序60:粗,精车Φ23内孔 12
3.6 工序70:铣15mm槽 14
3.7 工序80 钻M10螺纹底孔,倒角,攻螺纹 15
3.7.1 工步一 钻M10螺纹底孔 15
3.7.2 工步二 攻丝M10 15
第4章 夹具设计 17
4.1 夹具的夹紧装置和定位装置 17
4.2 夹具的导向 18
4.3 钻孔与工件之间的切屑间隙 19
4.4 钻模板 20
4.5定位误差的分析 20
4.6 钻套、衬套、钻模板设计与选用 21
4.7 确定夹具体结构和总体结构 22
4.8 夹具设计及操作的简要说明 23
总结与展望 24
参考文献 25
致 谢 26
温馨提示:
1、题目前面的备注【字母数字编号】为本站整理分类的编号,与课题内容无关,请选题时忽视;
2、若题目上备注三维,则表示文件里包含三维源文件,由于三维组成零件数量较多,为保证预览截图的简洁性,本站将三维文件夹进行了打包。三维及CAD预览截图,均为本站电脑打开软件进行截图的,保证能够打开,下载原件超高清,下载后解压即可;
3、本站所有资源如无特殊说明,都需要本地电脑安装Office2007。图纸软件为AutoCAD,PROE,UG,SolidWorks,CATIA等;
4、本站所有图文资料仅供用户学习参考,不作为任何商用或其他用途;
5、本站不保证下载资源的准确性、安全性和完整性, 不包修改,不支持退换,同时也不承担用户因使用这些下载资源对自己和他人造成任何形式的伤害或损失;
6、 下载文件中如有侵权或不适当内容,请与我们联系,我们立即纠正。