

作品包括:
Word版说明书1份,共33页,约10000字
工序卡7张
工艺过程卡1张
CAD版本图纸,共4张
![1734577478512348.png Z6MXTM]~J}`WRZ}A3Y)7QRO.png](/uploadfiles/20241219/1734577478512348.png)
目录
摘 要 1
Abstract 2
序 言 3
1零件的分析 4
1.1零件的作用 4
1.2零件的工艺分析 5
2工艺规程制定 6
2.1确定毛坯的制造形式 6
2.2选择定位基准 7
2.3确定工艺路线 8
3 工序的加工计算 9
3.1粗车∅50左端面 9
3.2粗车∅30右端面、∅30外圆面、∅30台阶面 10
3.3精车∅30右端面、∅30外圆面 14
3.4铣40两侧面 17
1.加工条件 17
2.切削用量 17
3.5铣28U型槽 18
3.6钻、扩、铰孔∅20 20
3.7钻∅6孔 22
3.8钻∅10孔 23
3夹具设计 25
3.1问题的提出 25
3.2定位基准的选择 25
3.3切削力和夹紧力的计算 25
3.4定位误差分析 25
3.5钻套设计 26
3.6夹具设计及操作的简要说明 29
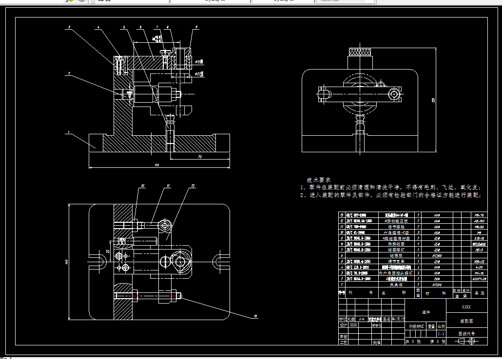
图3-1 夹具装配图 30
总 结 31
致 谢 32
参 考 文 献 33
温馨提示:
1、题目前面的备注【字母数字编号】为本站整理分类的编号,与课题内容无关,请选题时忽视;
2、若题目上备注三维,则表示文件里包含三维源文件,由于三维组成零件数量较多,为保证预览截图的简洁性,本站将三维文件夹进行了打包。三维及CAD预览截图,均为本站电脑打开软件进行截图的,保证能够打开,下载原件超高清,下载后解压即可;
3、本站所有资源如无特殊说明,都需要本地电脑安装Office2007。图纸软件为AutoCAD,PROE,UG,SolidWorks,CATIA等;
4、本站所有图文资料仅供用户学习参考,不作为任何商用或其他用途;
5、本站不保证下载资源的准确性、安全性和完整性, 不包修改,不支持退换,同时也不承担用户因使用这些下载资源对自己和他人造成任何形式的伤害或损失;
6、 下载文件中如有侵权或不适当内容,请与我们联系,我们立即纠正。