

作品包括:
Word版说明书1份,共42页,约17000字
工序卡11张
工艺过程卡1张
CAD版本图纸,共5张
SW三维图一套
![1751450856183606.png DGLOONI5A%F)2LOSC]UOOGB.png](/uploadfiles/20250702/1751450856183606.png)
目录
摘 要 1
ABSTRACT 2
目录 3
1 绪论 5
1.1 课题背景及研究意义 5
1.2 机床夹具国内外的现状与分析 5
1.3 研究的内容 7
2 零件分析和工艺规程的制定 8
2.1 零件作用 8
2.2 零件工艺分析 8
2.3 确定毛坯形式和余量 9
2.4基准选择 10
2.5 生产纲领和生产类型的计算 11
2.6工艺方案的比较和选择 12
2.7选择加工设备和工艺设备 15
3 工序的加工计算 17
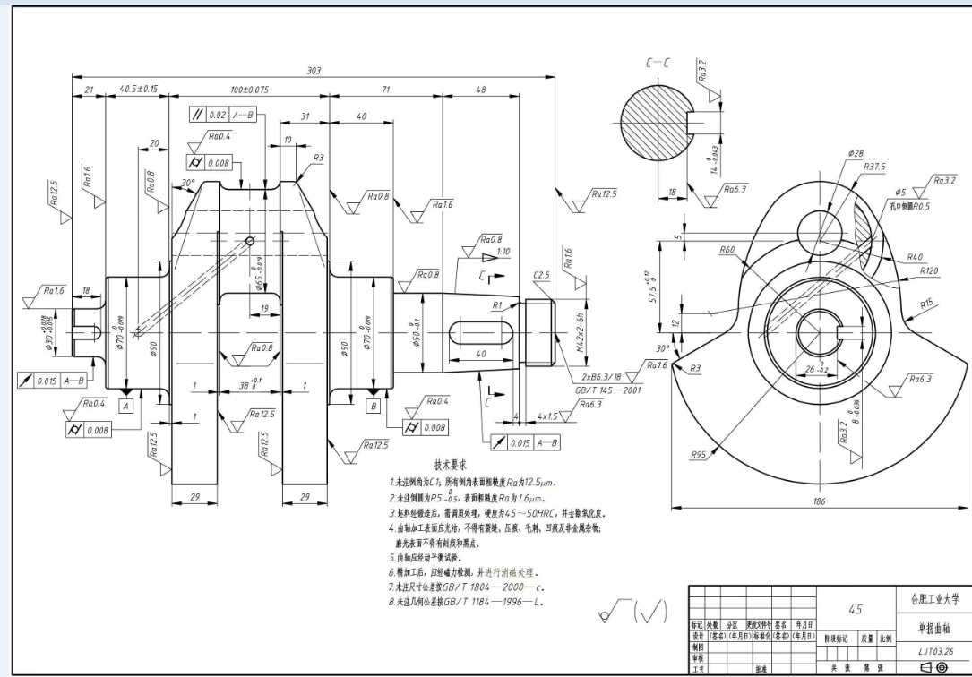
3.1粗车Ф90外圆、端面、粗车Ф70外圆、粗车Ф50外圆、粗车M24外圆及退刀槽 17
3.2粗车Ф90外圆、端面、粗车Ф70外圆、粗车Ф30外圆、粗车65外圆、粗车75外圆和粗车38mm内侧 20
3.3粗车65外圆、粗车75外圆和粗车38mm内侧 21
3.3精车Ф90外圆、端面、精车Ф70外圆、精车Ф50外圆和锥形面、精车M42螺纹 21
3.4精车Ф90外圆、端面、精车Ф70外圆、精车Ф30外圆、精车65外圆、精车75外圆和精车38mm内侧 21
3.5磨Ф90外圆、端面、磨Ф70外圆、磨Ф50外圆和锥形面 22
3.6磨Ф90外圆、端面、磨Ф70外圆、磨65外圆、磨75外圆 23
3.7钻Ф28孔 24
3.8铣Ф50锥形面上槽 24
3.9铣Ф30外圆面上槽 26
3.10钻Ф5mm孔 26
4 车床夹具设计 29
4.1夹具功能和设计步骤 29
4.2切削力和夹紧力计算 30
4.3 误差分析与计算 31
4.4机床夹具设计 32
5 铣床夹具设计 34
5.1夹具功能和设计步骤 34
5.2切削力和夹紧力计算 35
5.3 误差分析与计算 36
5.4机床夹具设计 37
总 结 39
致 谢 40
参 考 文 献 41
温馨提示:
1、题目前面的备注【字母数字编号】为本站整理分类的编号,与课题内容无关,请选题时忽视;
2、若题目上备注三维,则表示文件里包含三维源文件,由于三维组成零件数量较多,为保证预览截图的简洁性,本站将三维文件夹进行了打包。三维及CAD预览截图,均为本站电脑打开软件进行截图的,保证能够打开,下载原件超高清,下载后解压即可;
3、本站所有资源如无特殊说明,都需要本地电脑安装Office2007。图纸软件为AutoCAD,PROE,UG,SolidWorks,CATIA等;
4、本站所有图文资料仅供用户学习参考,不作为任何商用或其他用途;
5、本站不保证下载资源的准确性、安全性和完整性, 不包修改,不支持退换,同时也不承担用户因使用这些下载资源对自己和他人造成任何形式的伤害或损失;
6、 下载文件中如有侵权或不适当内容,请与我们联系,我们立即纠正。