

作品包括:
Word版说明书1份,共48页,约20000字
任务书一份
开题报告一份
CAD版本图纸,共10张
SW三维图一套
![1744429072820854.png NZ9SD33)9@3]9Q5TE{2G`16.png](/uploadfiles/20250412/1744429072820854.png)
摘要
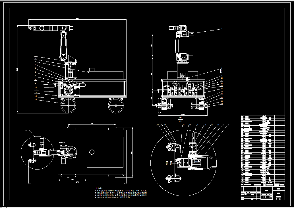
喷雾机械手是一种自动化系统,用于控制和操作喷雾设备。它通常由一个机械手臂和相关的控制系统组成,用于精确地定位和控制喷雾设备的运动和喷射操作。喷雾机械手的主要作用是实现喷雾操作的自动化和精确控制,从而提高生产效率和产品质量,并减少人工劳动和人为误差。本文基于此设计一款小型的移动式喷雾机械手结构,为了完成本次设计内容首先根据任务书要求确定相关的功能结构,结合现有技术资料和机械手结构从而拟定完成设计功能所需要的设计方案,针对所设计的方案对机械手的主要结构进行分析计算以完成喷雾机械手的移动系统、喷雾系统以及多关节的传动结构,并结合机械设计中理论力学和材料力学相关知识对所设计的结构进行计算分析和受力校核以保证所设计的结构能够满足强度、刚度以及稳定性的结构需求,最后借助计算机图形设计辅助软件CAD和solidworks对所设计的结构进行二维工程图和三维建模的设计,直观化、形象化对所设计的结构进行三维模拟分析以确保所设计的结构具有一定的实施可能性,通过本次设计能够更好的提高自身独立自主解决问题、分析问题的能力并且能够加强自身对知识的储备和学习为自身的发展提供一定的铺垫并对未来的喷雾机械手行业的发展提供一定的理论参照。
关键词:机械手;设计方案;传动结构;CAD;solid works;三维建模;
目 录
摘要 1
Abstract 2
1绪论 3
1.1国内外发展现状 3
1.1.1国外发展趋势 3
1.1.2国内发展趋势 4
1.1.3国内外发展趋势 4
1.2研究的目的意义 5
1.3研究的主要内容 5
2总体方案设计 7
2.1功能分析 7
2.2初始参数拟定 7
2.3初始方案拟定 8
3传动结构的设计计算 11
3.1传动系统总效率计算 11
3.2电机选择及传动比确定 11
3.3减速器设计 12
3.3.1计算传动装置的运动和动力参数 12
3.3.2蜗轮蜗杆传动的设计计算 13
3.4轴的设计与受力分析 17
3.4.1 输入轴的设计 17
4机械手关节的结构设计 22
4.1喷雾机构设计 22
4.2 机械手腕部回转结构设计 22
4.2.1 腕部扭矩的计算 22
4.2.3 腕部驱动装置的确定 24
4.2.4 键的强度校核 26
4.2.5 连接结构 27
4.3 腕部摆动结构设计 27
4.3.1 腕部摆动扭矩的计算 27
4.3.2 腕部驱动装置的确定 28
4.3.3 键的强度校核 30
4.4 其他工作部位电机和减速器的型号选取 31
4.4.1 小臂摆动电机及减速器型号选取: 31
4.4.2 大臂摆动电机及减速器型号选取: 31
4.4.3 大臂旋转电机及减速器型号选取: 32
5控制系统设计 33
5.1可编程序控制器介绍 33
5.1继电器的介绍 34
5.3传感器的设计 35
6三维建模和装配技术 37
6.1三维建模软件介绍 37
6.2零件三维建模 37
6.3零件三维装配 38
7润滑和密封 40
7.2设备的使用密封 40
6总结和展望 42
致谢 44
参考文献 45
温馨提示:
1、题目前面的备注【字母数字编号】为本站整理分类的编号,与课题内容无关,请选题时忽视;
2、若题目上备注三维,则表示文件里包含三维源文件,由于三维组成零件数量较多,为保证预览截图的简洁性,本站将三维文件夹进行了打包。三维及CAD预览截图,均为本站电脑打开软件进行截图的,保证能够打开,下载原件超高清,下载后解压即可;
3、本站所有资源如无特殊说明,都需要本地电脑安装Office2007。图纸软件为AutoCAD,PROE,UG,SolidWorks,CATIA等;
4、本站所有图文资料仅供用户学习参考,不作为任何商用或其他用途;
5、本站不保证下载资源的准确性、安全性和完整性, 不包修改,不支持退换,同时也不承担用户因使用这些下载资源对自己和他人造成任何形式的伤害或损失;
6、 下载文件中如有侵权或不适当内容,请与我们联系,我们立即纠正。