

作品包括:
Word版说明书1份,共16页,约9900字
CAD版本图纸,共5张
Proe三维图一份
目 录
1.绪论 1
1.1工业机器人简介 1
1.2机械手的组成和分类 1
1.2.1机械手的组成 1
1.2.2机械手的分类 1
1.3 世界机器人的发展 1
1.4我国工业机器人的发展 2
1.5我要设计的机械手 2
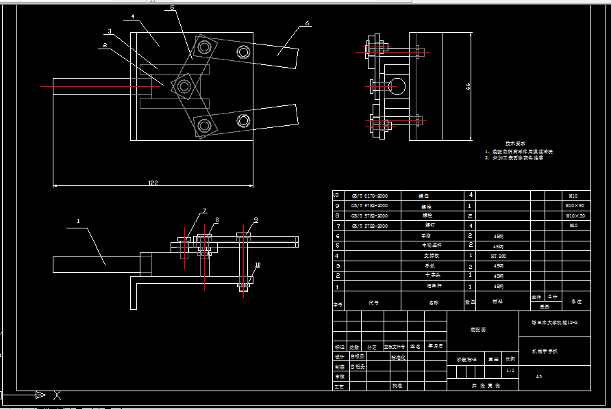
2.机械手的机构及运动过程 2
2.1机械手的结构 2
2.2机械手的动作过程 2
2.3机械手的坐标形式及自由度 3
3.手部结构的设计 4
3.1概述 4
3.1设计时应考虑的几个问题 4
3.3驱动力的计算 4
3.4销轴的选择与校核 5
4.气缸的设计 5
4.1气缸的直径 5
4.2汽缸壁厚的设计 7
5.齿轮的设计 7
5.1概述 7
5.2齿面接触疲劳强度的计算 8
5.2.1初步计算 8
5.2.2校核计算 8
5.2.3确定主要传动尺寸 10
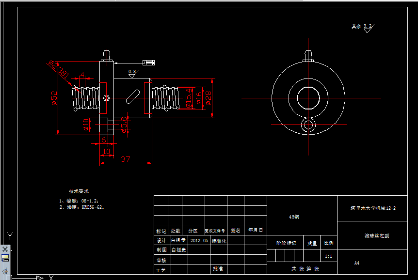
6.滚珠丝杠螺母副的设计 10
6.1滚珠丝杠的特点 10
6.2滚珠丝杠型号的选择 11
6.3滚珠丝杠的支撑和支撑方式 11
6.4滚珠丝杠刚度验算 11
6.5稳定性验算 12
6.3滚珠丝杠的温度变形计算 12
7.电动机的选择 13
7.1带动臂部升降和左右移动的电机 13
7.2带动机身回转的电机 13
7.2带动手部回转的电机 13
致 谢 14
参考文献 15
温馨提示:
1、题目前面的备注【字母数字编号】为本站整理分类的编号,与课题内容无关,请选题时忽视;
2、若题目上备注三维,则表示文件里包含三维源文件,由于三维组成零件数量较多,为保证预览截图的简洁性,本站将三维文件夹进行了打包。三维及CAD预览截图,均为本站电脑打开软件进行截图的,保证能够打开,下载原件超高清,下载后解压即可;
3、本站所有资源如无特殊说明,都需要本地电脑安装Office2007。图纸软件为AutoCAD,PROE,UG,SolidWorks,CATIA等;
4、本站所有图文资料仅供用户学习参考,不作为任何商用或其他用途;
5、本站不保证下载资源的准确性、安全性和完整性, 不包修改,不支持退换,同时也不承担用户因使用这些下载资源对自己和他人造成任何形式的伤害或损失;
6、 下载文件中如有侵权或不适当内容,请与我们联系,我们立即纠正。