

作品包括:
Word版设计说明书1份
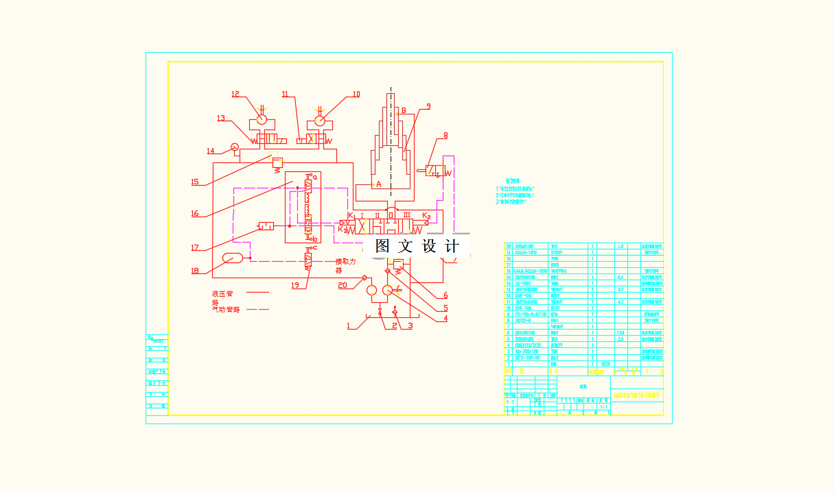
CAD版本图纸,共4张
摘要
自卸半挂车是用来运输煤矿、粮食、石灰、泥土等散装货物的一种常用的车辆。本文将设计一种新型的自卸半挂车液压系统,满足自卸半挂车的各种工作要求。而且,这个设备还拥有操作简单、结构合理、工作效率高、物料剩余率低等优势,可以在很多领域使用。 设计的主要内容包括:通过阅读文献,查找资料,确定最初的设计方案。根据自卸半挂车的工作原理画出液压系统原理图,查找产品的样本,选择出液压元件,在进行系统验算,设计出液压系统装置的安装方式。
温馨提示:
1、题目前面的备注【字母数字编号】为本站整理分类的编号,与课题内容无关,请选题时忽视;
2、若题目上备注三维,则表示文件里包含三维源文件,由于三维组成零件数量较多,为保证预览截图的简洁性,本站将三维文件夹进行了打包。三维及CAD预览截图,均为本站电脑打开软件进行截图的,保证能够打开,下载原件超高清,下载后解压即可;
3、本站所有资源如无特殊说明,都需要本地电脑安装Office2007。图纸软件为AutoCAD,PROE,UG,SolidWorks,CATIA等;
4、本站所有图文资料仅供用户学习参考,不作为任何商用或其他用途;
5、本站不保证下载资源的准确性、安全性和完整性, 不包修改,不支持退换,同时也不承担用户因使用这些下载资源对自己和他人造成任何形式的伤害或损失;
6、 下载文件中如有侵权或不适当内容,请与我们联系,我们立即纠正。