

作品包括:
Word版设计说明书1份
CAD版本图纸,共5张
摘要
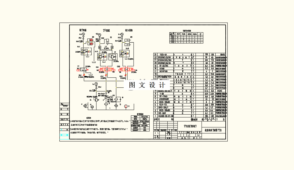
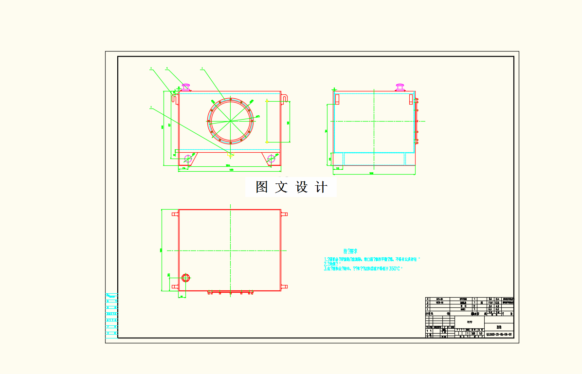
随着全球经济化,贸易化时代的来临,全球的港口事业也在飞速发展,作为港口作业、装卸必不可少的大型设备,门式起重机都发挥着巨大的作用。 由于港口设备的大型化特点,门式起重机容易受到台风、阵风的影响,起重机的防风安全在国内国外是一个很受重视的问题。而这种大型设备一旦发生事故,将会造成巨大的生命财产损失。因此,门式起重机的制动防风值得我们去好好研究探讨,本文主要通过对国内外起重机防风制动现状的研究,分析了起重机的制动器与防风安全装置,重点对防风装置试验台进行分析设计,制定出一套切实可行的防风方法。 主要研究了试验台的液压控制系统的原理图,对系统进行了较为详细的分析计算, 元件选型,着重对试验台的结构进行了设计。设计结果表明了制动器对起重机防风安全有 着显著的效果,此设计对于港口起重机防风制动具有重要的指导意义,也对提高门式起重 机的安全性及运行的可靠性具有重大参考意义。
温馨提示:
1、题目前面的备注【字母数字编号】为本站整理分类的编号,与课题内容无关,请选题时忽视;
2、若题目上备注三维,则表示文件里包含三维源文件,由于三维组成零件数量较多,为保证预览截图的简洁性,本站将三维文件夹进行了打包。三维及CAD预览截图,均为本站电脑打开软件进行截图的,保证能够打开,下载原件超高清,下载后解压即可;
3、本站所有资源如无特殊说明,都需要本地电脑安装Office2007。图纸软件为AutoCAD,PROE,UG,SolidWorks,CATIA等;
4、本站所有图文资料仅供用户学习参考,不作为任何商用或其他用途;
5、本站不保证下载资源的准确性、安全性和完整性, 不包修改,不支持退换,同时也不承担用户因使用这些下载资源对自己和他人造成任何形式的伤害或损失;
6、 下载文件中如有侵权或不适当内容,请与我们联系,我们立即纠正。