

作品包括:
Word版设计说明书1份
CAD版本图纸,共13张
摘要
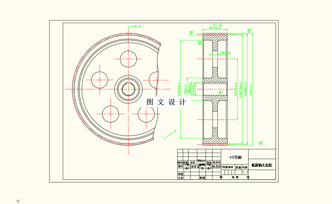
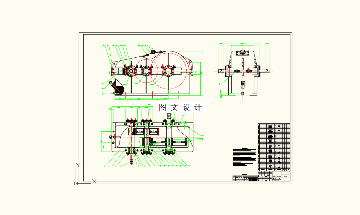
在本次方案中,根据要求选择的是单层的的带式输送机,通过三相异步电机驱动,在电机输出轴端设计一组带传动,用来提高输出扭矩,降低输出转速的目的, 在大带轮的一侧,与连接二级圆柱直齿轮减速器进行连接,输送带的滚筒与二级圆柱直齿轮减速器的输出轴进行连接连接输送带的滚筒,至此完成了 2.0KN 带式输送机传动装置的设计。本次设计在技术调研和文献查阅的技术上,拟定了 2.0KN 带式输送机传动装置总体设计方案。基于轻量化设计思想,进行载荷分析、受力模型简化、功率匹配以及传动装置详细结构设计。给出了电机驱动装置、V 带传动装置、二级减速装置等的详细三维模型和二维结构表达,并设计了减速箱中低速轴大齿轮的工艺文件。
温馨提示:
1、题目前面的备注【字母数字编号】为本站整理分类的编号,与课题内容无关,请选题时忽视;
2、若题目上备注三维,则表示文件里包含三维源文件,由于三维组成零件数量较多,为保证预览截图的简洁性,本站将三维文件夹进行了打包。三维及CAD预览截图,均为本站电脑打开软件进行截图的,保证能够打开,下载原件超高清,下载后解压即可;
3、本站所有资源如无特殊说明,都需要本地电脑安装Office2007。图纸软件为AutoCAD,PROE,UG,SolidWorks,CATIA等;
4、本站所有图文资料仅供用户学习参考,不作为任何商用或其他用途;
5、本站不保证下载资源的准确性、安全性和完整性, 不包修改,不支持退换,同时也不承担用户因使用这些下载资源对自己和他人造成任何形式的伤害或损失;
6、 下载文件中如有侵权或不适当内容,请与我们联系,我们立即纠正。