

作品包括:
Word版设计说明书1份
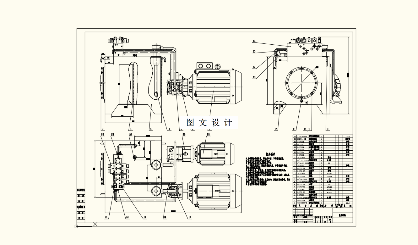
CAD版本图纸,共13张
摘要
地下管道开挖是市政建设中比较重要的部分。基本上大部分的市政地下管道网都是通过管道开挖完成建设,而且大部分使用的是暗挖法。管道开挖的直径大小从几十毫米到数米。开挖直径越大,所用到的机器越复杂。对于小口径的管道, 利用设计的管道开挖机器,可以实现钻,挖,运输一体,达到无人开挖工作面的要求。本次设计的便是一款小口径管道开挖机器,借助与螺旋运输机一体安装的旋挖截齿实现无人工作面管道开挖安装。从工作坑分节顶入螺旋运输节,推动机器钻头往里移动,直到到达接收坑。机器主要动力源由液压提供,液压缸同时顶进推动工作面前进,同时液压马达带动机头旋转完成钻挖,螺旋运输排出土渣, 搭配自动装载机构减少人力消耗。无人工作面地下管道开挖机器的推广有助于城市地下管网的完善、建设。
温馨提示:
1、题目前面的备注【字母数字编号】为本站整理分类的编号,与课题内容无关,请选题时忽视;
2、若题目上备注三维,则表示文件里包含三维源文件,由于三维组成零件数量较多,为保证预览截图的简洁性,本站将三维文件夹进行了打包。三维及CAD预览截图,均为本站电脑打开软件进行截图的,保证能够打开,下载原件超高清,下载后解压即可;
3、本站所有资源如无特殊说明,都需要本地电脑安装Office2007。图纸软件为AutoCAD,PROE,UG,SolidWorks,CATIA等;
4、本站所有图文资料仅供用户学习参考,不作为任何商用或其他用途;
5、本站不保证下载资源的准确性、安全性和完整性, 不包修改,不支持退换,同时也不承担用户因使用这些下载资源对自己和他人造成任何形式的伤害或损失;
6、 下载文件中如有侵权或不适当内容,请与我们联系,我们立即纠正。