

作品包括:
Word版设计说明书1份
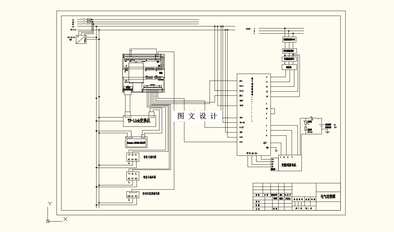
CAD版本图纸,共13张
摘要
树脂锚杆支护技术是现在巷道支护中普遍应用的一种技术,但树脂锚杆在实际应用中也存在诸多问题,如支护失效,因此精准测量树脂锚杆的扭矩强度是当前现场生产实践中需要解决的重要课题,依赖专家进行扭转试验分析成本高、自动化程度低,上述情况给树脂锚杆的普及带来了许多麻烦,通过本文开展工作拟设计出,使它能够精准测量树脂锚杆的扭转强度,将计算机技术应用于扭转试验的分析,实现扭转试验的自动化。
温馨提示:
1、题目前面的备注【字母数字编号】为本站整理分类的编号,与课题内容无关,请选题时忽视;
2、若题目上备注三维,则表示文件里包含三维源文件,由于三维组成零件数量较多,为保证预览截图的简洁性,本站将三维文件夹进行了打包。三维及CAD预览截图,均为本站电脑打开软件进行截图的,保证能够打开,下载原件超高清,下载后解压即可;
3、本站所有资源如无特殊说明,都需要本地电脑安装Office2007。图纸软件为AutoCAD,PROE,UG,SolidWorks,CATIA等;
4、本站所有图文资料仅供用户学习参考,不作为任何商用或其他用途;
5、本站不保证下载资源的准确性、安全性和完整性, 不包修改,不支持退换,同时也不承担用户因使用这些下载资源对自己和他人造成任何形式的伤害或损失;
6、 下载文件中如有侵权或不适当内容,请与我们联系,我们立即纠正。