

作品包括:
Word版设计说明书1份
CAD版本图纸,共9张
摘要
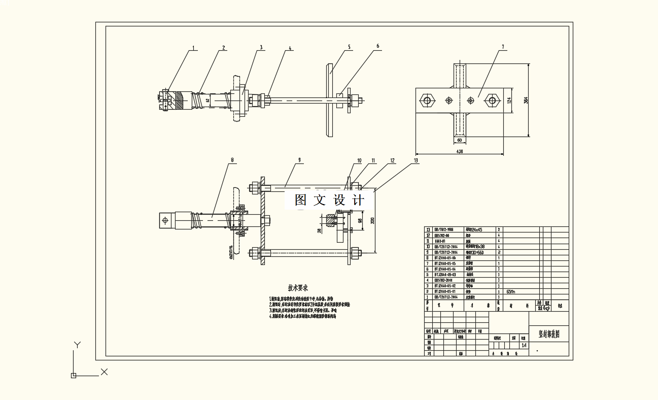
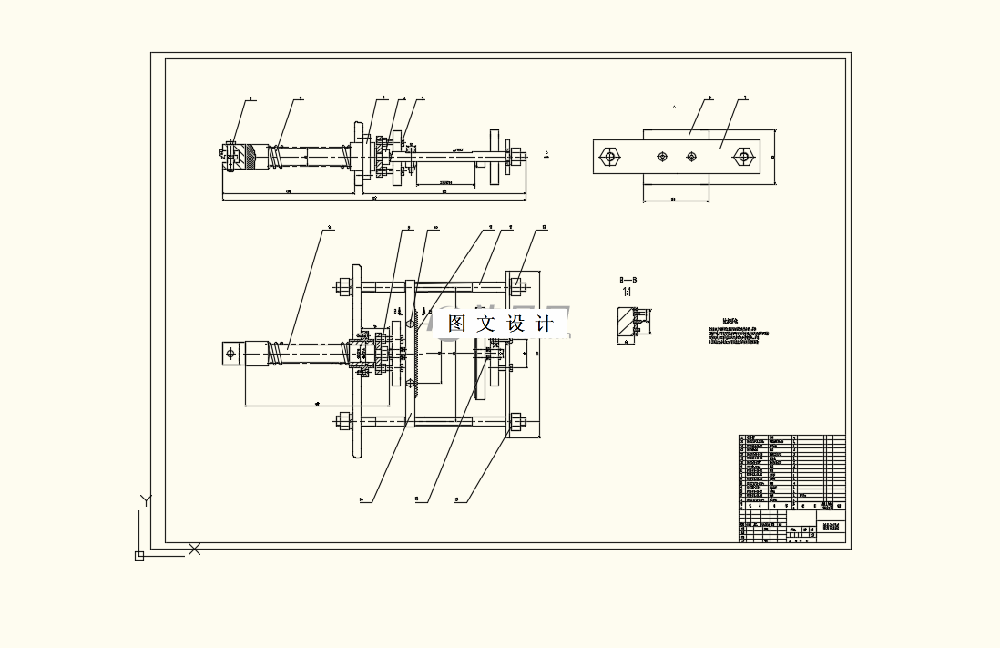
在本次设计中,我采用的是转盘将饼干分开,利用饼干的自重依次通过纵封装置、牵引装置和横封装置完成包装封合。包装封口装置是将充填有包装物的容器进行封口的机械,在产品装入包装容器后,富众包装封口机采用远红外线辐射直接加热包装膜,达到完美的收缩包装,决不影响包装物,电子无级变速,固态调压器控温,稳定可靠,应用于食品、餐具、熟食品、肉类、方便面、面食、饮料、糖果、文化用品、超市、五金工具、日用百货、工艺品、化工。 该设计包含了横封装置结构设计,转盘的结构设计,牵引装置的结构设计,纵封装置的结构设计。其中在结构设计这方面包含了封口装置的凸轮结构、复位结构设计及机身的整体结构设计。《枕式包装机设计》非常适合作为机械工程这门专业大学四年的一个总结。因为其中涉及了机械设计的多个方面,并且与生活实际非常贴合,能充分体现这门专业的内涵与作用。
温馨提示:
1、题目前面的备注【字母数字编号】为本站整理分类的编号,与课题内容无关,请选题时忽视;
2、若题目上备注三维,则表示文件里包含三维源文件,由于三维组成零件数量较多,为保证预览截图的简洁性,本站将三维文件夹进行了打包。三维及CAD预览截图,均为本站电脑打开软件进行截图的,保证能够打开,下载原件超高清,下载后解压即可;
3、本站所有资源如无特殊说明,都需要本地电脑安装Office2007。图纸软件为AutoCAD,PROE,UG,SolidWorks,CATIA等;
4、本站所有图文资料仅供用户学习参考,不作为任何商用或其他用途;
5、本站不保证下载资源的准确性、安全性和完整性, 不包修改,不支持退换,同时也不承担用户因使用这些下载资源对自己和他人造成任何形式的伤害或损失;
6、 下载文件中如有侵权或不适当内容,请与我们联系,我们立即纠正。