

作品包括:
Word版设计说明书1份
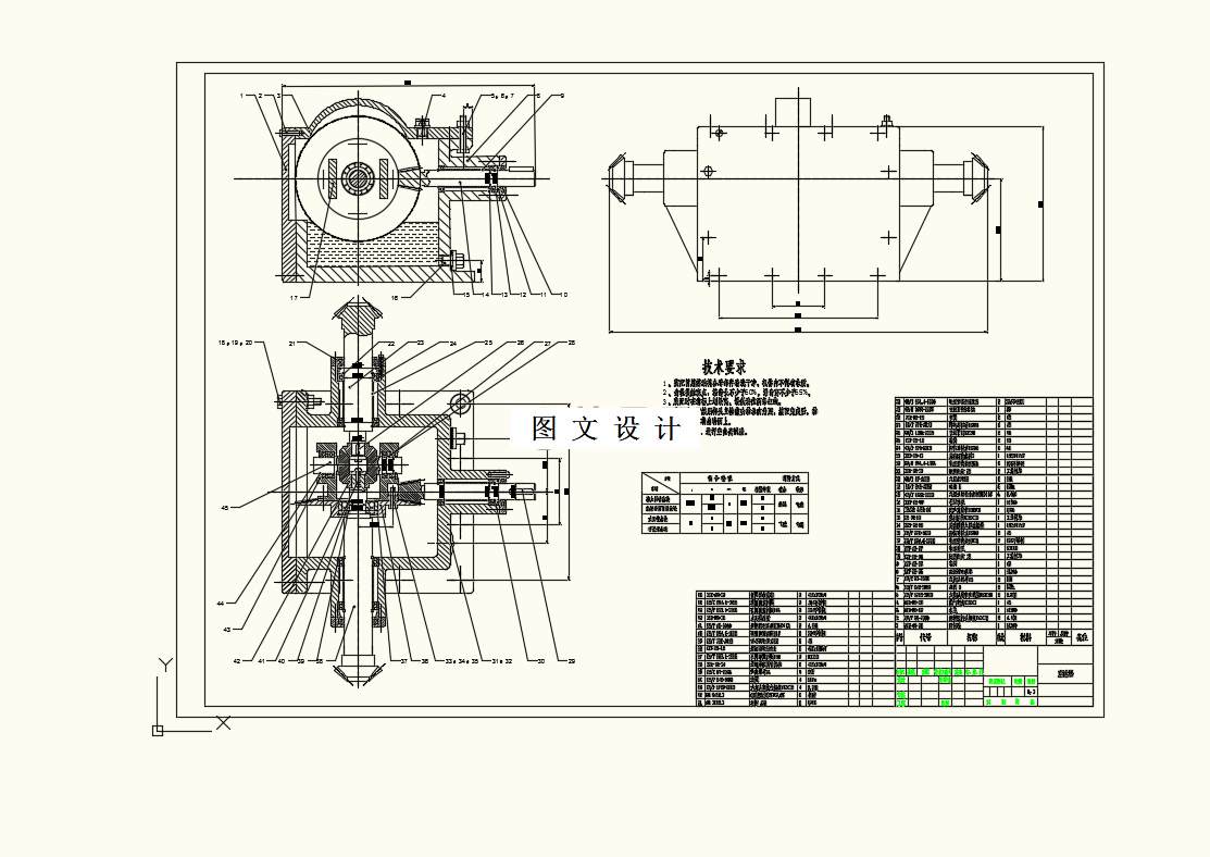
CAD版本图纸,共8张
摘要
巡检机器人是一种能代替人们对一些特定区域内完成一些人们危险程度高或劳动强度大的巡检,监控任务的机械系统。目前以电力巡检机器人居多,矿山巡检机器人正逐步应用于相应煤矿开采系统当中。但目前相应煤矿巡检机器人相关技术并不成熟,为解决对相应皮带输送机的巡检任务,本文设计了一款可对煤矿运输巷道内皮带运输机进行巡检的机器人,针对相应悬挂式巡检机器人转弯的需求,提出一种可供转弯的机械结构,针对相应的机器人控制系统进行相应的选型设计,并对相应的零部件进行计算校核与有限元分析校核。相应分析与计算表明,该巡检机器人可以完成相应的设计需求,为数字化,智能化矿山建设提供了一定的技术支持。
温馨提示:
1、题目前面的备注【字母数字编号】为本站整理分类的编号,与课题内容无关,请选题时忽视;
2、若题目上备注三维,则表示文件里包含三维源文件,由于三维组成零件数量较多,为保证预览截图的简洁性,本站将三维文件夹进行了打包。三维及CAD预览截图,均为本站电脑打开软件进行截图的,保证能够打开,下载原件超高清,下载后解压即可;
3、本站所有资源如无特殊说明,都需要本地电脑安装Office2007。图纸软件为AutoCAD,PROE,UG,SolidWorks,CATIA等;
4、本站所有图文资料仅供用户学习参考,不作为任何商用或其他用途;
5、本站不保证下载资源的准确性、安全性和完整性, 不包修改,不支持退换,同时也不承担用户因使用这些下载资源对自己和他人造成任何形式的伤害或损失;
6、 下载文件中如有侵权或不适当内容,请与我们联系,我们立即纠正。