

作品包括:
Word版设计说明书1份
CAD版本图纸,共8张
摘要
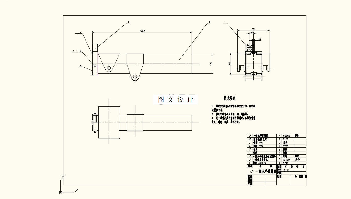
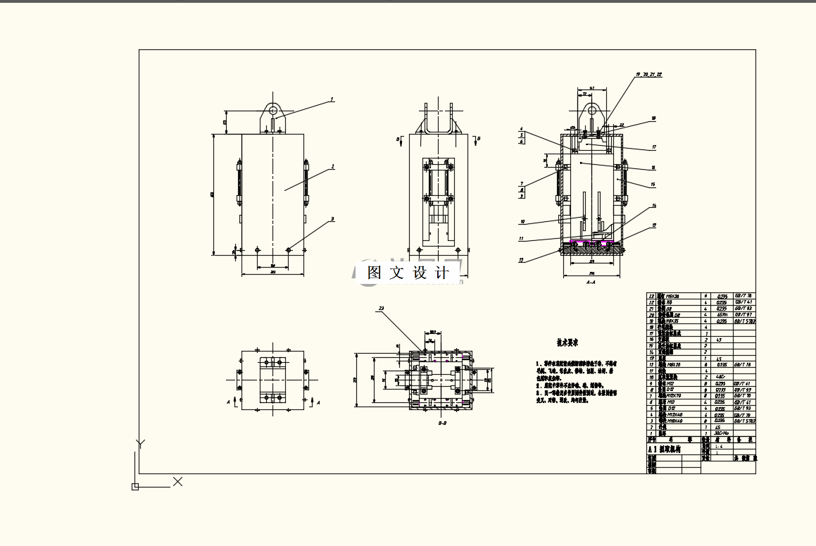
地埋垃圾桶举升机器人是一种针对于地埋垃圾桶开发的新型起吊装置,解决了传统地埋垃圾桶起吊过程中需要依靠大量人力、易造成垃圾的二次污染等问题,大大提高了地埋垃圾桶的收运效率。它的设计参考了国外地埋垃圾桶起吊结构的新式设计,具有结构合理,功能丰富,市场前景优良等特点。起升机构采用伸缩臂结合液压油缸代替传统的电机加滚筒和滑轮组结合的方式,减轻自重的同时提高了稳定性,减少了成本与制造周期。回转机构采用液压马达与制动器完成回转和停摆等功能,安全可靠。抓取机构采用液压开关控制,可以对地埋垃圾桶进行自动卸料。控制系统通过电气与液压结合,采用 PLC 可编程控制系统控制, 是机电一体化的良好体现。该地埋垃圾桶举升机器人的设计对于我国垃圾桶收运装置大发展具有重要的意义。
温馨提示:
1、题目前面的备注【字母数字编号】为本站整理分类的编号,与课题内容无关,请选题时忽视;
2、若题目上备注三维,则表示文件里包含三维源文件,由于三维组成零件数量较多,为保证预览截图的简洁性,本站将三维文件夹进行了打包。三维及CAD预览截图,均为本站电脑打开软件进行截图的,保证能够打开,下载原件超高清,下载后解压即可;
3、本站所有资源如无特殊说明,都需要本地电脑安装Office2007。图纸软件为AutoCAD,PROE,UG,SolidWorks,CATIA等;
4、本站所有图文资料仅供用户学习参考,不作为任何商用或其他用途;
5、本站不保证下载资源的准确性、安全性和完整性, 不包修改,不支持退换,同时也不承担用户因使用这些下载资源对自己和他人造成任何形式的伤害或损失;
6、 下载文件中如有侵权或不适当内容,请与我们联系,我们立即纠正。