

作品包括:
Word版设计说明书1份
CAD版本图纸,共8张
摘要
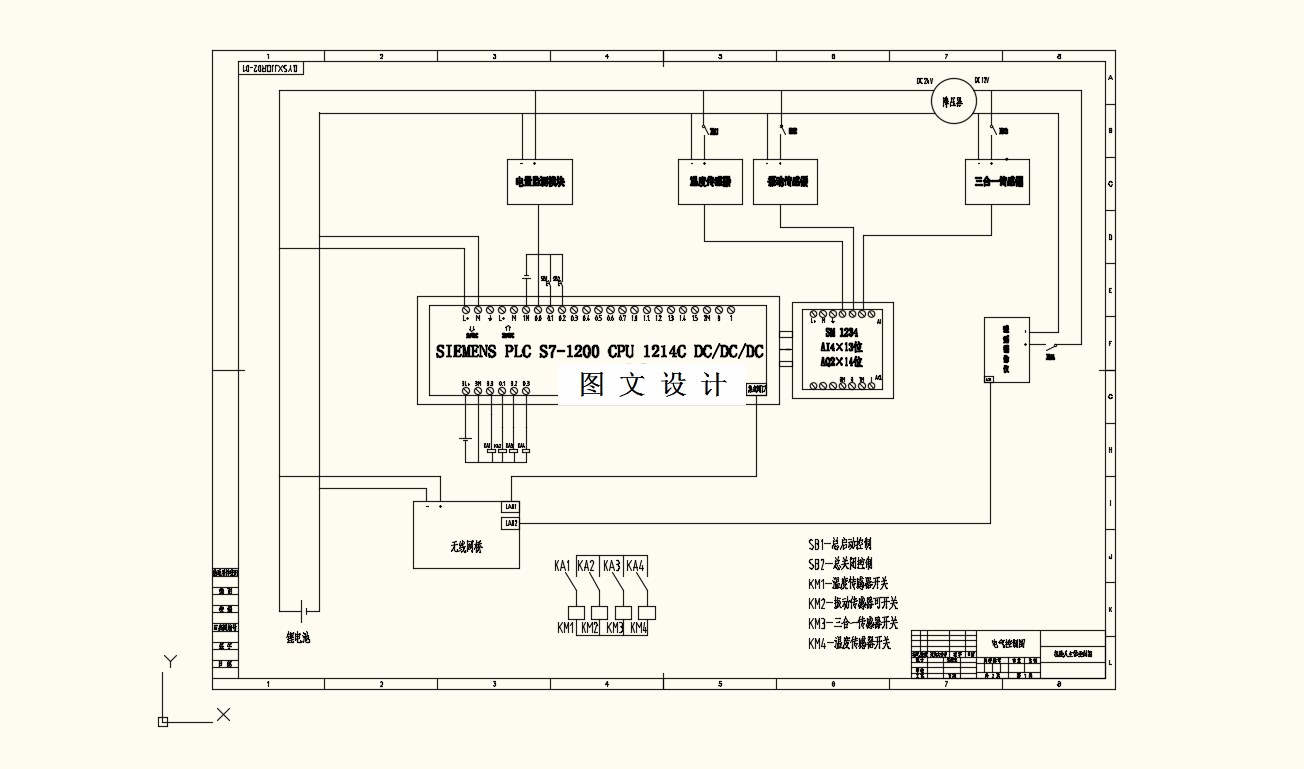
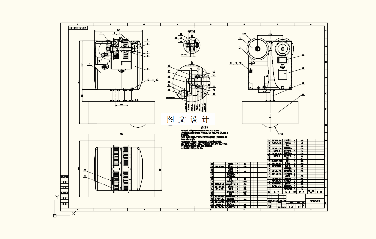
如今,由于我国的工业发展十分迅猛,生产力也有了质的飞跃,生产安全也是工业生产中一直被强调的一个方面。从前,由于技术的限制,矿井生产线一只配备有不小数量的安全巡检员,只有通过人工巡检,才能报告生产线上存在的问题,这样的巡检方式效率低,报告延时高,而且会威胁到安全巡检员的生命安全。在最近几年,巡检机器人的设计与应用也逐渐渗透到生产中,主要是通过巡检机器人在轨道上的运行,靠自身携带的各类传感器对环境数据进行采集进而分析数据完成巡检。续航短的问题也是目前使用的巡检机器人一个存在的问题。
温馨提示:
1、题目前面的备注【字母数字编号】为本站整理分类的编号,与课题内容无关,请选题时忽视;
2、若题目上备注三维,则表示文件里包含三维源文件,由于三维组成零件数量较多,为保证预览截图的简洁性,本站将三维文件夹进行了打包。三维及CAD预览截图,均为本站电脑打开软件进行截图的,保证能够打开,下载原件超高清,下载后解压即可;
3、本站所有资源如无特殊说明,都需要本地电脑安装Office2007。图纸软件为AutoCAD,PROE,UG,SolidWorks,CATIA等;
4、本站所有图文资料仅供用户学习参考,不作为任何商用或其他用途;
5、本站不保证下载资源的准确性、安全性和完整性, 不包修改,不支持退换,同时也不承担用户因使用这些下载资源对自己和他人造成任何形式的伤害或损失;
6、 下载文件中如有侵权或不适当内容,请与我们联系,我们立即纠正。