

作品包括:
Word版设计说明书1份
CAD版本图纸,共7张
摘要
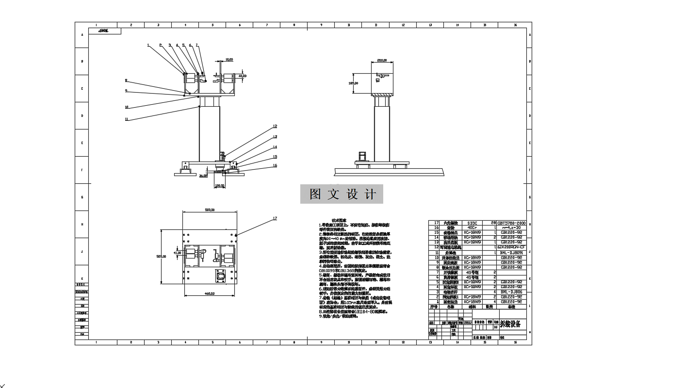
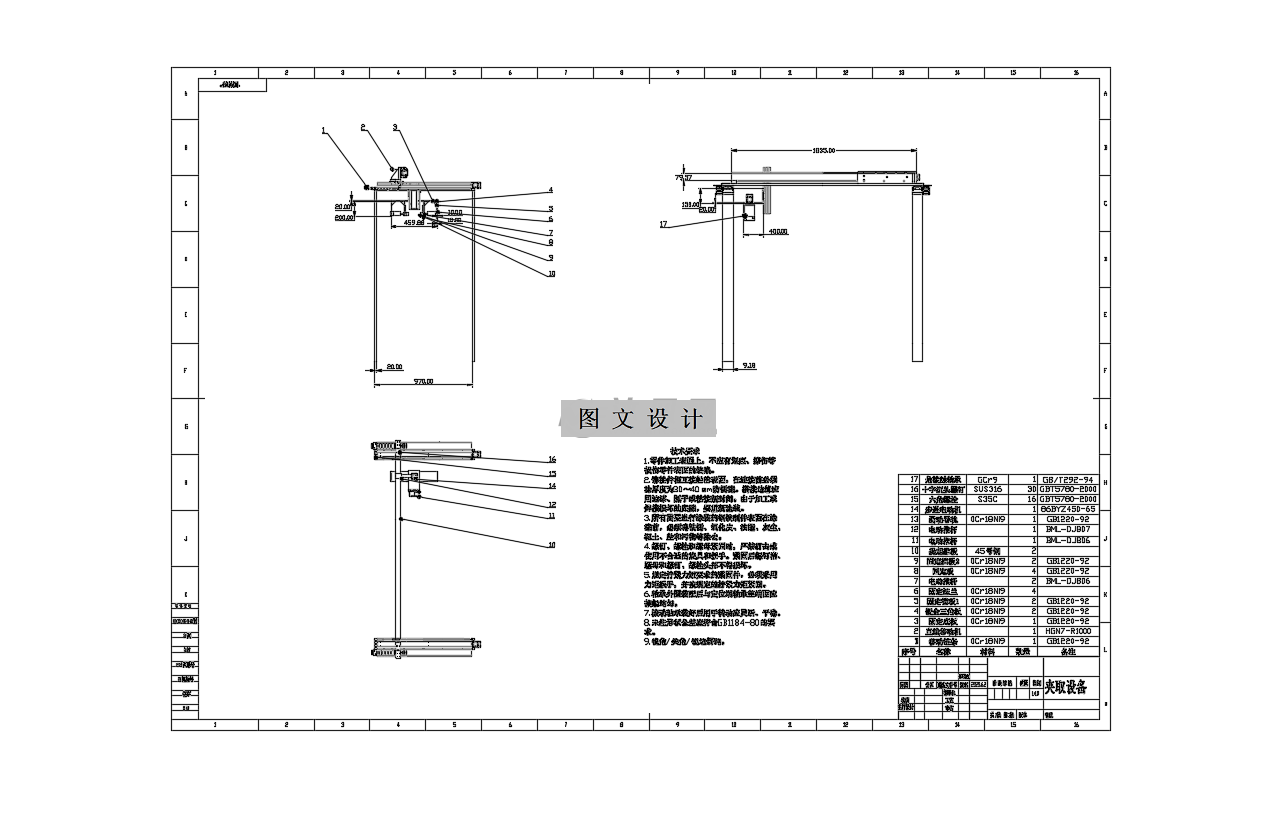
本文通过模拟人工拆装扭锁的工作过程,设计计算出一种可以代替人工的扭锁拆装设备。这种扭锁拆装设备可以完成集装箱下角件内扭锁的拆卸工作,并将扭锁收集到标准扭锁收集筐内。通过对人工拆装设备的模拟,先设计出不同的设计方案来满足要求,再对这些方案进行选择,针对选好的方案设计出几种不同功能的机构来完成不同的功能,最终组合形成这种扭锁拆装设备。通过分析比较不同方案最终确定思路,再逐个分析设计各个零件,最后进行计算校核。
温馨提示:
1、题目前面的备注【字母数字编号】为本站整理分类的编号,与课题内容无关,请选题时忽视;
2、若题目上备注三维,则表示文件里包含三维源文件,由于三维组成零件数量较多,为保证预览截图的简洁性,本站将三维文件夹进行了打包。三维及CAD预览截图,均为本站电脑打开软件进行截图的,保证能够打开,下载原件超高清,下载后解压即可;
3、本站所有资源如无特殊说明,都需要本地电脑安装Office2007。图纸软件为AutoCAD,PROE,UG,SolidWorks,CATIA等;
4、本站所有图文资料仅供用户学习参考,不作为任何商用或其他用途;
5、本站不保证下载资源的准确性、安全性和完整性, 不包修改,不支持退换,同时也不承担用户因使用这些下载资源对自己和他人造成任何形式的伤害或损失;
6、 下载文件中如有侵权或不适当内容,请与我们联系,我们立即纠正。