

作品包括:
Word版设计说明书1份
CAD版本图纸,共7张
SW三维图一套
摘要
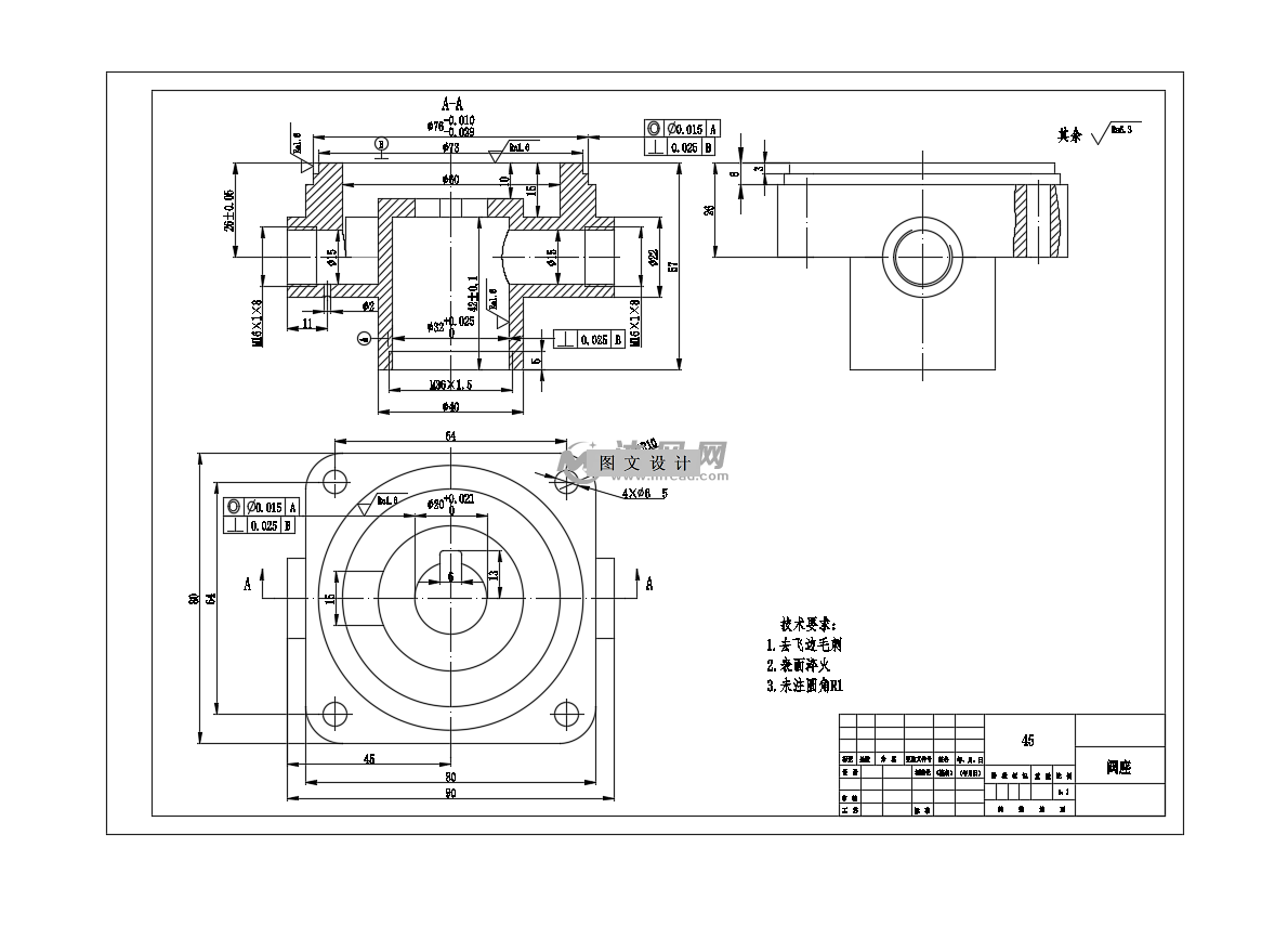
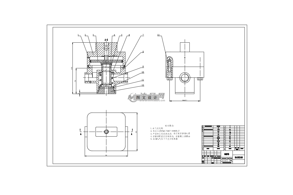
汽车中的制动系统是车辆的核心系统之一,其性能的好坏在很大程度上影响了车辆行驶过程中的安全性和稳定性。本文以商用车的气压制动回路以及气压制动自动调压阀为物理研究对象,改进了传统的气压制动回路并设计了一款自动调压阀,主要针对调压阀进行了功能与结构设计、建模分析和参数优化等研究。研究结果表明,本文设计并研究的自动调压阀能够满足功能和性能需求,参数优化后制动响应时间有所减小,自动调压阀能起到改善车辆整体制动性能的作用。
温馨提示:
1、题目前面的备注【字母数字编号】为本站整理分类的编号,与课题内容无关,请选题时忽视;
2、若题目上备注三维,则表示文件里包含三维源文件,由于三维组成零件数量较多,为保证预览截图的简洁性,本站将三维文件夹进行了打包。三维及CAD预览截图,均为本站电脑打开软件进行截图的,保证能够打开,下载原件超高清,下载后解压即可;
3、本站所有资源如无特殊说明,都需要本地电脑安装Office2007。图纸软件为AutoCAD,PROE,UG,SolidWorks,CATIA等;
4、本站所有图文资料仅供用户学习参考,不作为任何商用或其他用途;
5、本站不保证下载资源的准确性、安全性和完整性, 不包修改,不支持退换,同时也不承担用户因使用这些下载资源对自己和他人造成任何形式的伤害或损失;
6、 下载文件中如有侵权或不适当内容,请与我们联系,我们立即纠正。