

作品包括:
Word版设计说明书1份
CAD版本图纸,共5张
摘要
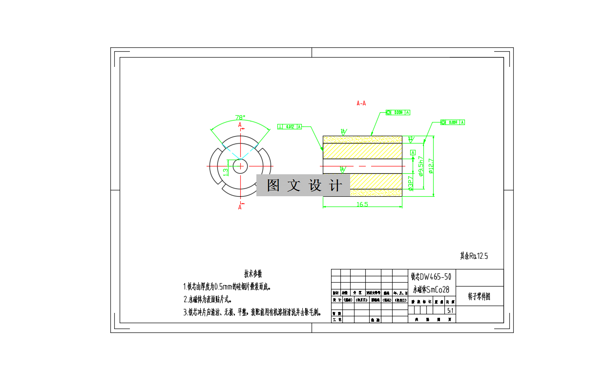
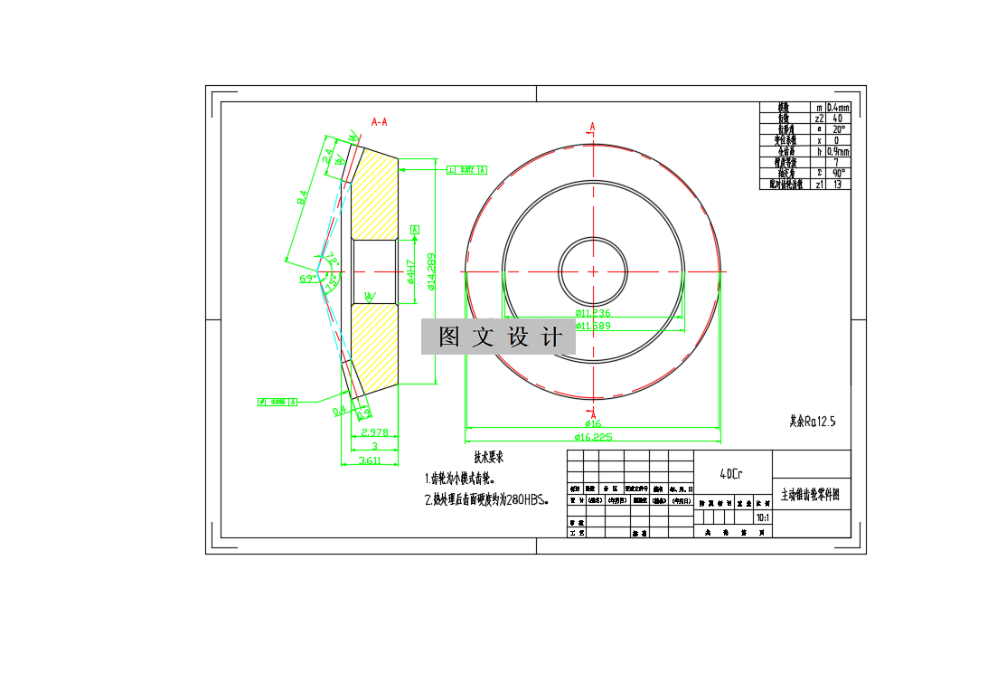
本文基于永磁同步发电机对鼠标自供电系统进行了设计。全文首先介绍了鼠标自供电系统的背景,然后选择了永磁同步发电机为具体实施方案。 设计过程中首先简述了发电机的电磁场理论及数学模型,然后按照设计需求确定了发电机的额定参数,接着根据设计公式对发电机的主要参数进行了设计计算,根据设计结果建立了发电机的二维有限元模型,并在空载和额定负载的条件下对其进行仿真,得到了发电机的运行数据,结果满足设计的需求。完成发电机的设计后,对鼠标自供电系统的电路部分和传动部分进行了设计,采用了三相全波整流电路作为发电机的外电路,采用了齿轮传动来驱动发电机运转,并对齿轮的具体参数进行了计算。 本文主要采用了有限元法对发电机进行仿真,结果准确性较高,设计的发电机体积、功率较小,适用于鼠标的供电,对鼠标自供电系统具有指导意义。
温馨提示:
1、题目前面的备注【字母数字编号】为本站整理分类的编号,与课题内容无关,请选题时忽视;
2、若题目上备注三维,则表示文件里包含三维源文件,由于三维组成零件数量较多,为保证预览截图的简洁性,本站将三维文件夹进行了打包。三维及CAD预览截图,均为本站电脑打开软件进行截图的,保证能够打开,下载原件超高清,下载后解压即可;
3、本站所有资源如无特殊说明,都需要本地电脑安装Office2007。图纸软件为AutoCAD,PROE,UG,SolidWorks,CATIA等;
4、本站所有图文资料仅供用户学习参考,不作为任何商用或其他用途;
5、本站不保证下载资源的准确性、安全性和完整性, 不包修改,不支持退换,同时也不承担用户因使用这些下载资源对自己和他人造成任何形式的伤害或损失;
6、 下载文件中如有侵权或不适当内容,请与我们联系,我们立即纠正。