

作品包括:
Word版设计说明书1份
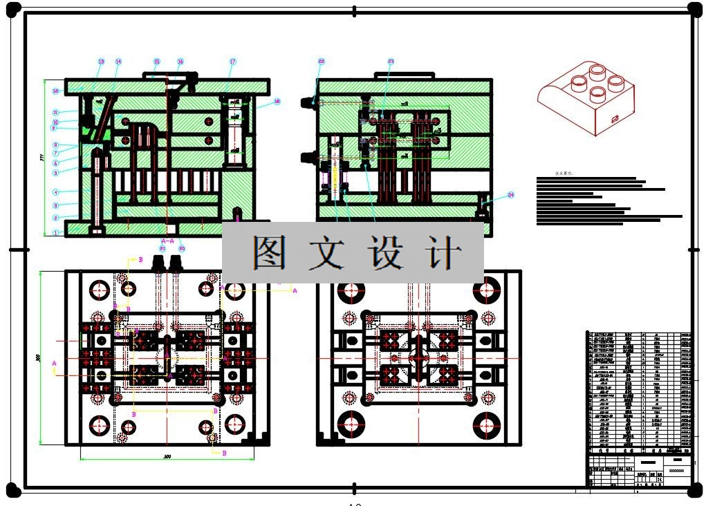
CAD版本图纸,共13张
UG三维图一套
摘要
关于此次设计,首先是加热原材料颗粒,等待至完全熔融后,注射进模具,进行冷却和保压,这样, 动模板和定模板在注塑机的拉动下进行张开, 此时,斜导柱带动滑块进行侧向抽芯,当运动到一定距离后,注塑机顶棍会穿过动模座板的孔, 顶棍会抵着推板,推板上的推杆,会将塑件推出,从来来实现循环生产, 推出机构会在复位杆的作用下进行复位,滑块会在合模时,斜导柱的带动下进行复位。
温馨提示:
1、题目前面的备注【字母数字编号】为本站整理分类的编号,与课题内容无关,请选题时忽视;
2、若题目上备注三维,则表示文件里包含三维源文件,由于三维组成零件数量较多,为保证预览截图的简洁性,本站将三维文件夹进行了打包。三维及CAD预览截图,均为本站电脑打开软件进行截图的,保证能够打开,下载原件超高清,下载后解压即可;
3、本站所有资源如无特殊说明,都需要本地电脑安装Office2007。图纸软件为AutoCAD,PROE,UG,SolidWorks,CATIA等;
4、本站所有图文资料仅供用户学习参考,不作为任何商用或其他用途;
5、本站不保证下载资源的准确性、安全性和完整性, 不包修改,不支持退换,同时也不承担用户因使用这些下载资源对自己和他人造成任何形式的伤害或损失;
6、 下载文件中如有侵权或不适当内容,请与我们联系,我们立即纠正。