

作品包括:
Word版设计说明书1份
CAD版本图纸,共19张
摘要
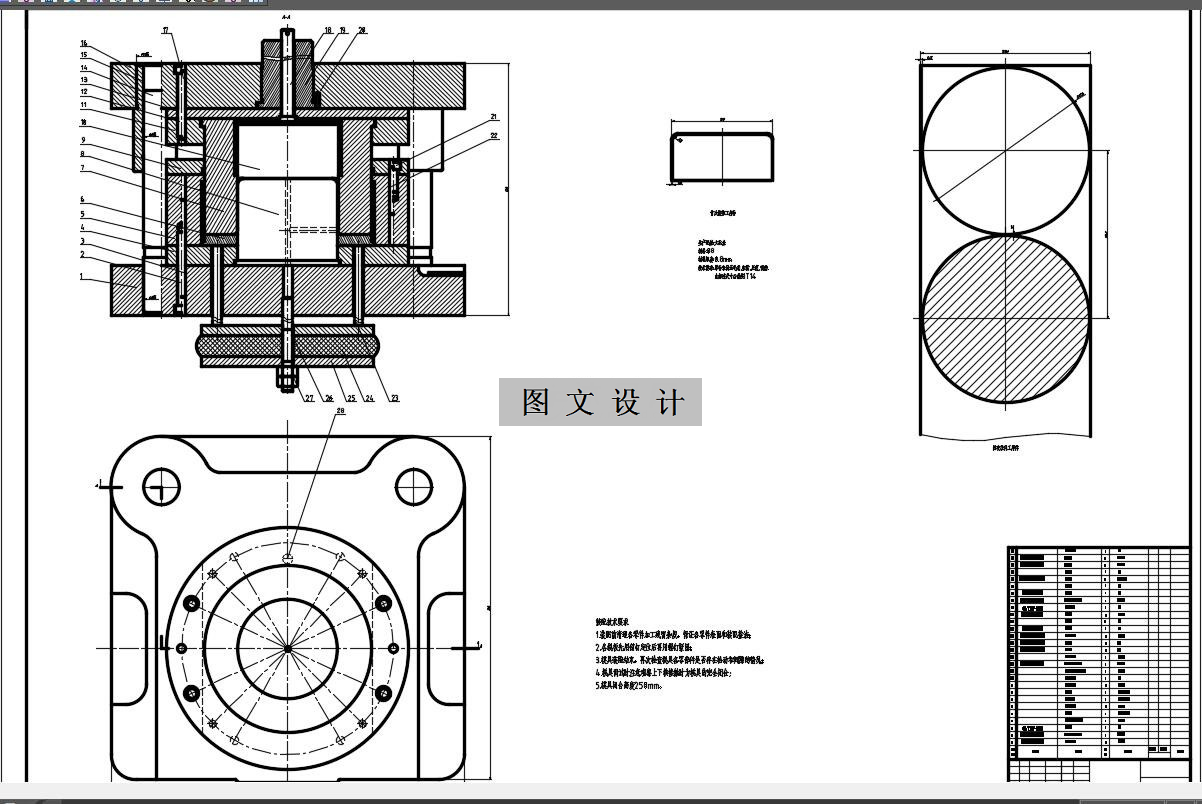
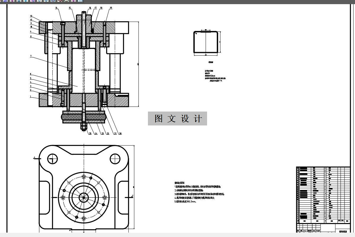
工件的结构简图可知,该工件为圆形拉深结构,且拉拉深工件为直筒形状,需要进行拉深系数和拉深次数计算,综合计算拉深件的坯料尺寸。 (2)为了保证工件表面质量,计算是否采用压边圈,防止工件拉深边缘起皱、拉裂、刮痕等。 (3)由于工件材料厚度0.8mm,厚度较大,对磨具的冲击也比较大,拉深工件需要大批量生产,合理选用耐磨的材料,可以有效的提高模具的寿命。 (4)工件较大,设计过程中要分析多种取件结构。模具结构上设计好推件和取件方式。
温馨提示:
1、题目前面的备注【字母数字编号】为本站整理分类的编号,与课题内容无关,请选题时忽视;
2、若题目上备注三维,则表示文件里包含三维源文件,由于三维组成零件数量较多,为保证预览截图的简洁性,本站将三维文件夹进行了打包。三维及CAD预览截图,均为本站电脑打开软件进行截图的,保证能够打开,下载原件超高清,下载后解压即可;
3、本站所有资源如无特殊说明,都需要本地电脑安装Office2007。图纸软件为AutoCAD,PROE,UG,SolidWorks,CATIA等;
4、本站所有图文资料仅供用户学习参考,不作为任何商用或其他用途;
5、本站不保证下载资源的准确性、安全性和完整性, 不包修改,不支持退换,同时也不承担用户因使用这些下载资源对自己和他人造成任何形式的伤害或损失;
6、 下载文件中如有侵权或不适当内容,请与我们联系,我们立即纠正。