欢迎来到龙图网在线图文分享平台-CAD图纸,设计说明书,工业设计3D模型,三维软件下载!   客服QQ:2363701252
热搜:

工艺夹具 模具设计 数控编程 土木工程 3D模型

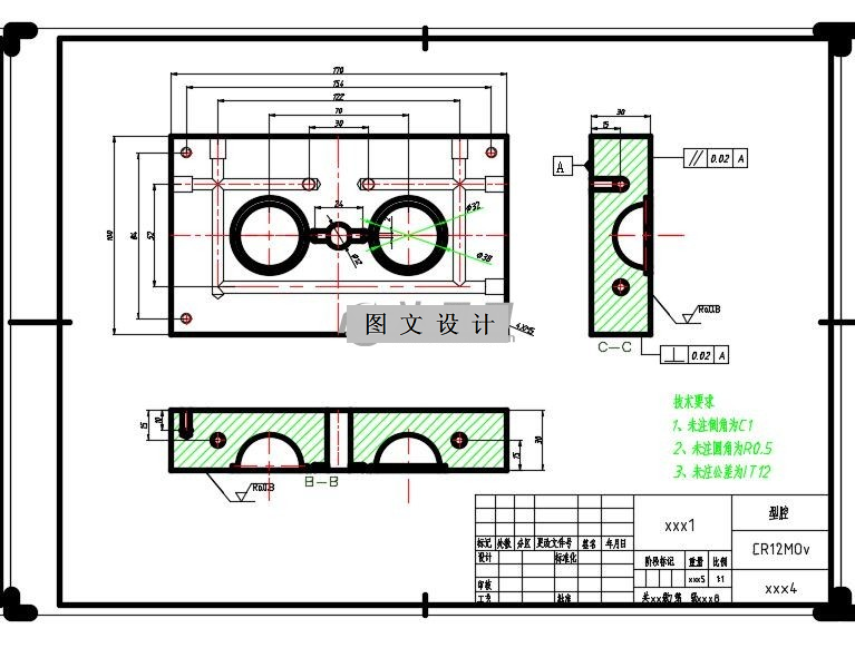
N1874-指示灯罩注塑模设计-长38 下载积分:60 资料编号: N1874

1.打开支付宝或者微信扫描二维码。
2.填写金额:60 
3.添加备注,填写资料编号:
资料编号: N1874
4.支付成功后,请发资料编号到邮箱:jxsj168@qq.com
会有专人在15分钟内把资料发到您邮箱
备注:如果付款忘记填写资料编号,则发邮件时附带您的交易明细截图即可。
请耐心等待,如超过30分钟还没收到,请联系客服QQ:2363701252
点击分享:

作品描述

作品包括:

Word版设计说明书1份

CAD版本图纸,共5张

摘要

本次设计我选择了指示灯罩作为我的设计课题。在设计期间,首先是应用UG软件的三维造型能力对塑料零件进行外形分析。设计之初,先对塑件进行结构分析,以便合理选择分型面,确定型腔数。然后运用CAD软件进行2D排位设计,最终确定模具的总体结构形式,使塑件能够顺利地成型和脱模。还要根据塑件的材质、用途、结构和形状,合理选择浇注系统,使塑件成型后达到所要求的力学性能和外观表面。通过以上一系列的工作,对模具的尺寸设计,结构设计、注塑材料、制造工艺、制造方法和行业要求等都有了较深的认识。1460357


温馨提示:

1、题目前面的备注【字母数字编号】为本站整理分类的编号,与课题内容无关,请选题时忽视;

2、若题目上备注三维,则表示文件里包含三维源文件,由于三维组成零件数量较多,为保证预览截图的简洁性,本站将三维文件夹进行了打包。三维及CAD预览截图,均为本站电脑打开软件进行截图的,保证能够打开,下载原件超高清,下载后解压即可;

3、本站所有资源如无特殊说明,都需要本地电脑安装Office2007。图纸软件为AutoCAD,PROE,UG,SolidWorks,CATIA等;

4、本站所有图文资料仅供用户学习参考,不作为任何商用或其他用途;
5、本站不保证下载资源的准确性、安全性和完整性, 不包修改,不支持退换,同时也不承担用户因使用这些下载资源对自己和他人造成任何形式的伤害或损失;

6、 下载文件中如有侵权或不适当内容,请与我们联系,我们立即纠正。


线