

作品包括:
Word版设计说明书1份
CAD版本图纸,共12张
UG三维图一份
摘要
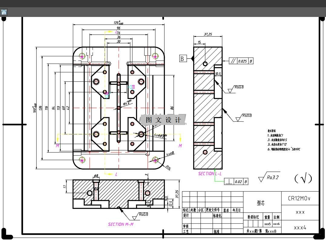
该产品形状如中规中矩型零件,精度及表面粗糙度要求较高,不允许有明显的熔接痕、飞边等工艺痕迹,需要一定的配合精度要求。制品整体有充分的脱模斜度,各处脱模力比较合理。从整体结构分析:制品表面积较大、高度不大但是壁薄、零件的曲面复杂,型腔、型芯加工困难。从整体工艺性分析:根据制品外观要求与结构特定要求选择侧浇口,制品薄而大要求冷却必须均匀而充分,脱模力合理要求顶出机构顶出均匀,采用侧抽芯进行脱模。1460164
温馨提示:
1、题目前面的备注【字母数字编号】为本站整理分类的编号,与课题内容无关,请选题时忽视;
2、若题目上备注三维,则表示文件里包含三维源文件,由于三维组成零件数量较多,为保证预览截图的简洁性,本站将三维文件夹进行了打包。三维及CAD预览截图,均为本站电脑打开软件进行截图的,保证能够打开,下载原件超高清,下载后解压即可;
3、本站所有资源如无特殊说明,都需要本地电脑安装Office2007。图纸软件为AutoCAD,PROE,UG,SolidWorks,CATIA等;
4、本站所有图文资料仅供用户学习参考,不作为任何商用或其他用途;
5、本站不保证下载资源的准确性、安全性和完整性, 不包修改,不支持退换,同时也不承担用户因使用这些下载资源对自己和他人造成任何形式的伤害或损失;
6、 下载文件中如有侵权或不适当内容,请与我们联系,我们立即纠正。