

作品包括:
Word版设计说明书1份
CAD版本图纸,共4张
UG三维图一份
摘要
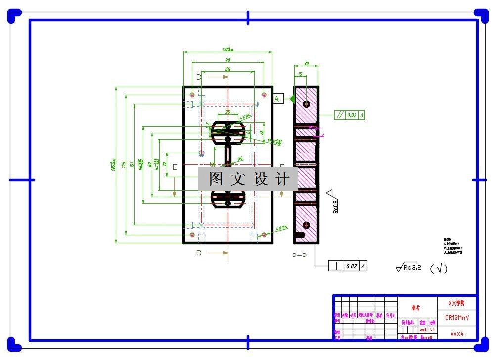
本文是关于垫片的塑料注射模具的设计,对模具结构各工艺参数,包括锁模力、流道截面尺寸等模具参数的进行了计算校核,设计了一副一模两腔、单分型面、斜导柱侧向抽芯机构的侧浇口注射模具。该模具的关键是解决分型面的选择、抽芯结构的设计、侧浇口位置确定、冷却系统的布局、塑件浇注系统布局、芯型和芯腔等问题,以及在实现这些功能的情况下,如何使模具有效而可靠的运动。1459844
温馨提示:
1、题目前面的备注【字母数字编号】为本站整理分类的编号,与课题内容无关,请选题时忽视;
2、若题目上备注三维,则表示文件里包含三维源文件,由于三维组成零件数量较多,为保证预览截图的简洁性,本站将三维文件夹进行了打包。三维及CAD预览截图,均为本站电脑打开软件进行截图的,保证能够打开,下载原件超高清,下载后解压即可;
3、本站所有资源如无特殊说明,都需要本地电脑安装Office2007。图纸软件为AutoCAD,PROE,UG,SolidWorks,CATIA等;
4、本站所有图文资料仅供用户学习参考,不作为任何商用或其他用途;
5、本站不保证下载资源的准确性、安全性和完整性, 不包修改,不支持退换,同时也不承担用户因使用这些下载资源对自己和他人造成任何形式的伤害或损失;
6、 下载文件中如有侵权或不适当内容,请与我们联系,我们立即纠正。