

作品包括:
Word版设计说明书1份
CAD版本图纸,共10张
Creo三维图一套
摘要
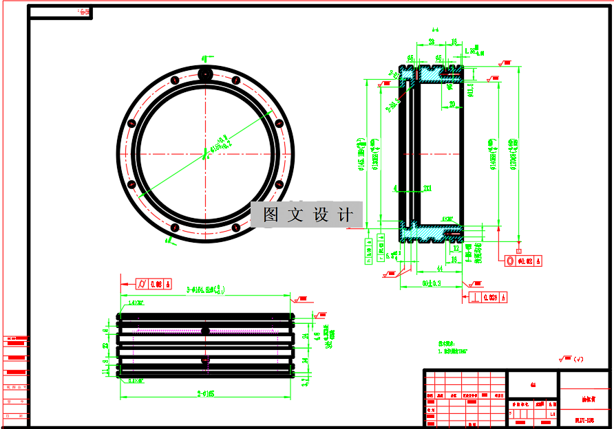
数控机床作为国家制造业的基础,其技术发展的重要性是不言而喻的。本课题的设计对象是针对数控机床中的一个重要部分——动力刀塔,其能够实现多刀多工序加工,快速换刀,缩短换刀时间,提高工作效率。本次设计一款12工位盘型动力刀塔,通过分析目前数控机床动力刀塔的发展况状,从动力刀塔的工作原理出发,设计了动力刀塔的结构方案,根据方案从运动学和动力学进行相关的设计计算,对传动部分的主要零部件进行了计算,包括传动齿轮、轴,另外对动力刀塔的液压部分进行了简要分析计算。利用三维软件绘制动力刀塔的零部件,并绘制工程图纸。
温馨提示:
1、题目前面的备注【字母数字编号】为本站整理分类的编号,与课题内容无关,请选题时忽视;
2、若题目上备注三维,则表示文件里包含三维源文件,由于三维组成零件数量较多,为保证预览截图的简洁性,本站将三维文件夹进行了打包。三维及CAD预览截图,均为本站电脑打开软件进行截图的,保证能够打开,下载原件超高清,下载后解压即可;
3、本站所有资源如无特殊说明,都需要本地电脑安装Office2007。图纸软件为AutoCAD,PROE,UG,SolidWorks,CATIA等;
4、本站所有图文资料仅供用户学习参考,不作为任何商用或其他用途;
5、本站不保证下载资源的准确性、安全性和完整性, 不包修改,不支持退换,同时也不承担用户因使用这些下载资源对自己和他人造成任何形式的伤害或损失;
6、 下载文件中如有侵权或不适当内容,请与我们联系,我们立即纠正。