

作品包括:
Word版设计说明书1份
CAD版本图纸,共14张
SW三维图一套
摘要
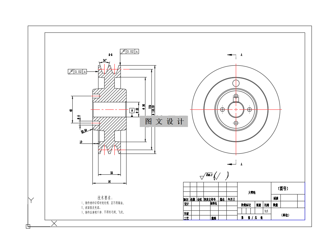
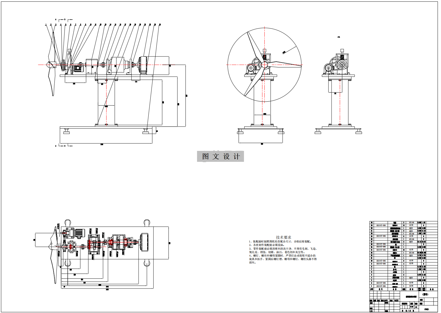
风力发电故障植入试验平台,可模拟风力发电和储电,研究风机风叶、行星齿轮箱、平行齿轮箱等多种故障状态,完成相关故障诊断的试验研究。 该试验平台由轴流风机、发电机叶片、行星齿轮箱、平行齿轮箱、制动器、发电机、蓄电池、逆变器、底座、风速风向传感器及电气控制等部分组成,可完成以下试验研究: 风机:模拟风机的风叶缺损、微变形、严重变形、质量不平衡等多种故障。 平行齿轮箱:模拟齿轮的裂纹、断齿、点蚀、磨损等多种故障特征。 行星齿轮箱:模拟太阳轮、行星轮及齿圈的裂纹、断齿、点蚀、磨损等故障特征。 轴承座:模拟轴承外圈损伤、内圈损伤、滚动体损伤等多种故障特征
温馨提示:
1、题目前面的备注【字母数字编号】为本站整理分类的编号,与课题内容无关,请选题时忽视;
2、若题目上备注三维,则表示文件里包含三维源文件,由于三维组成零件数量较多,为保证预览截图的简洁性,本站将三维文件夹进行了打包。三维及CAD预览截图,均为本站电脑打开软件进行截图的,保证能够打开,下载原件超高清,下载后解压即可;
3、本站所有资源如无特殊说明,都需要本地电脑安装Office2007。图纸软件为AutoCAD,PROE,UG,SolidWorks,CATIA等;
4、本站所有图文资料仅供用户学习参考,不作为任何商用或其他用途;
5、本站不保证下载资源的准确性、安全性和完整性, 不包修改,不支持退换,同时也不承担用户因使用这些下载资源对自己和他人造成任何形式的伤害或损失;
6、 下载文件中如有侵权或不适当内容,请与我们联系,我们立即纠正。