欢迎来到龙图网在线图文分享平台-CAD图纸,设计说明书,工业设计3D模型,三维软件下载!   客服QQ:2363701252
热搜:

工艺夹具 模具设计 数控编程 土木工程 3D模型

B750-抛砂造型机设计 下载积分:50 资料编号: B750

1.打开支付宝或者微信扫描二维码。
2.填写金额:50 
3.添加备注,填写资料编号:
资料编号: B750
4.支付成功后,请发资料编号到邮箱:jxsj168@qq.com
会有专人在15分钟内把资料发到您邮箱
备注:如果付款忘记填写资料编号,则发邮件时附带您的交易明细截图即可。
请耐心等待,如超过30分钟还没收到,请联系客服QQ:2363701252
点击分享:

作品描述

作品包括:

Word版说明书1份,共54页,约21000字

CAD版本图纸,共12张


目    录


1 绪论 1

1.1课题背景和研究意义 1

1.2国内外抛砂造型的发展状况 1

1.3抛砂机的分类 2

1.4抛砂机的优缺点 2

2 结构方案的确定 3

2.1整体结构方案的确定 3

2.1.1确定生产率 3

2.1.2抛砂机组成概述 3

2.2抛砂头形式方案确定 3

2.3小臂结构的确定 5

2.3.1小臂梁 5

2.3.2小臂输送带 5

2.4大臂结构的确定 6

2.4.1大臂四杆机构 6

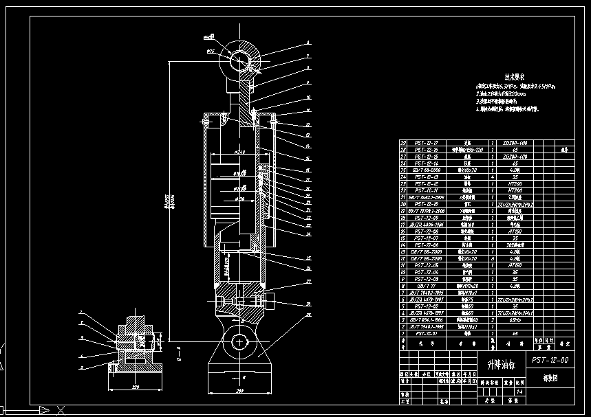
2.4.2升降油缸 7

2.4.3大臂输送带 7

2.5大小臂转速的确定 7

3 抛砂头设计 9

3.1抛砂头参数的选择 9

3.1.1生产率 9

3.1.2砂团抛出的绝对速度 9

3.1.3叶片的后倾角 10

3.1.4砂团抛出时的圆周速度 10

3.1.5叶片的半径 与转速 10

3.1.6叶片数 10

3.1.7叶片宽度 10

3.1.8叶片形状 11

3.1.9进砂速度 11

3.2抛砂头功率的计算 11

3.2.1砂团获得动能所消耗的功率 11

3.2.2叶片旋转时克服空气阻力所消耗的功率 11

3.2.3克服砂团与弧板间摩擦所消耗的功率 11

3.2.4抛头功率 11

3.2.5抛头电机计算功率 11

3.3抛砂头皮带传动设计 12

3.3.1抛砂头带传动设计 12

3.3.2小臂运输机皮带传动设计 13

3.3.3抛砂头轴的设计 14

3.3.4轴承的选择计算 16

4 皮带输送机设计 17

4.1小臂皮带输送机设计 17

4.2大臂皮带输送机设计 19

5 小臂设计 20

5.1小臂梁设计及校核 20

5.1.1小臂梁的结构设计 20

5.1.2小臂梁受力分析 21

5.2小臂回转油缸的设计 23

5.2.1摆动缸设计 23

5.2.2摆动缸结构参数计算 24

5.2.3摆动轴的设计计算 27

5.2.4其它零件校核 30

5.2.5轴承的校核 31

6 大臂的设计 32

6.1概述 32

6.2平行臂设计计算 33

6.3升降油缸的设计计算 34

6.3.1柱塞直径计算 34

6.3.2柱塞缸的结构设计计算 35

6.4大臂立柱的结构设计 38

7 底座设计 39

7.1大臂回转油缸的设计计算 39

7.1.1回转油缸运动参数设计 39

7.1.2摆动缸结构参数的计算 40

7.2大臂回转轴的设计 43

7.2.1轴的结构设计 43

7.2.2轴上轴承的设计计算 45

8 抛砂机的布置与使用维护 46

8.1抛砂机的布置 46

8.2与供砂系统的配合 46

8.3操作中应注意的问题 46

8.4砂箱 48

结  论 48

参考文献 50

英文原文 51

中文译文 61

致  谢 70

温馨提示:

1、题目前面的备注【字母数字编号】为本站整理分类的编号,与课题内容无关,请选题时忽视;

2、若题目上备注三维,则表示文件里包含三维源文件,由于三维组成零件数量较多,为保证预览截图的简洁性,本站将三维文件夹进行了打包。三维及CAD预览截图,均为本站电脑打开软件进行截图的,保证能够打开,下载原件超高清,下载后解压即可;

3、本站所有资源如无特殊说明,都需要本地电脑安装Office2007。图纸软件为AutoCAD,PROE,UG,SolidWorks,CATIA等;

4、本站所有图文资料仅供用户学习参考,不作为任何商用或其他用途;
5、本站不保证下载资源的准确性、安全性和完整性, 不包修改,不支持退换,同时也不承担用户因使用这些下载资源对自己和他人造成任何形式的伤害或损失;

6、 下载文件中如有侵权或不适当内容,请与我们联系,我们立即纠正。


线