

作品包括:
Word版设计说明书1份
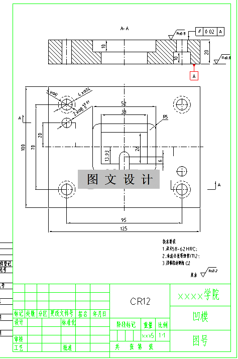
CAD版本图纸,共4张
摘要
本文设计了一种基于复合模的冲压工艺和模具方案,该复合模实现了对L型垫板的冲孔工序和落料工序,是符合实际生产加工的冲压方法。对于其他同L型垫板的尺寸、材料和形状类似的工件,通过具体分析计算后,也可以将此模具设计方法作为参考,为工厂实际生产工件和现代模具行业的发展作出了应有的贡献。 首先,对L型垫板进行了工艺分析,从垫板的材料和结构方面入手分析确定了复合模冲压方案,复合模结构简单,成本低,寿命长,并且操作方便、安全可靠
1146581
温馨提示:
1、题目前面的备注【字母数字编号】为本站整理分类的编号,与课题内容无关,请选题时忽视;
2、若题目上备注三维,则表示文件里包含三维源文件,由于三维组成零件数量较多,为保证预览截图的简洁性,本站将三维文件夹进行了打包。三维及CAD预览截图,均为本站电脑打开软件进行截图的,保证能够打开,下载原件超高清,下载后解压即可;
3、本站所有资源如无特殊说明,都需要本地电脑安装Office2007。图纸软件为AutoCAD,PROE,UG,SolidWorks,CATIA等;
4、本站所有图文资料仅供用户学习参考,不作为任何商用或其他用途;
5、本站不保证下载资源的准确性、安全性和完整性, 不包修改,不支持退换,同时也不承担用户因使用这些下载资源对自己和他人造成任何形式的伤害或损失;
6、 下载文件中如有侵权或不适当内容,请与我们联系,我们立即纠正。