

作品包括:
Word版设计说明书1份
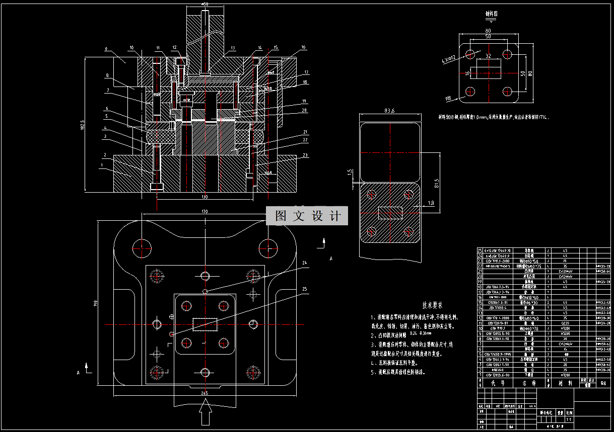
CAD版本图纸,共5张
摘要
正确的确定模具成形零件的尺寸凸模、凹模等零件是确定制件形状、尺寸和表面质量的直接因素关系甚大,要特别注意。模具的设计应制造方便, 尽量做道使设计的模具制造容易、造价便宜。特别是比较复杂的成形零件,必须考虑是采用一般的机械加工方法加工还是采用特殊的加工方法加工。模具的设计应当效率高、安全、可靠。模具零件应耐磨耐用。 1146569
温馨提示:
1、题目前面的备注【字母数字编号】为本站整理分类的编号,与课题内容无关,请选题时忽视;
2、若题目上备注三维,则表示文件里包含三维源文件,由于三维组成零件数量较多,为保证预览截图的简洁性,本站将三维文件夹进行了打包。三维及CAD预览截图,均为本站电脑打开软件进行截图的,保证能够打开,下载原件超高清,下载后解压即可;
3、本站所有资源如无特殊说明,都需要本地电脑安装Office2007。图纸软件为AutoCAD,PROE,UG,SolidWorks,CATIA等;
4、本站所有图文资料仅供用户学习参考,不作为任何商用或其他用途;
5、本站不保证下载资源的准确性、安全性和完整性, 不包修改,不支持退换,同时也不承担用户因使用这些下载资源对自己和他人造成任何形式的伤害或损失;
6、 下载文件中如有侵权或不适当内容,请与我们联系,我们立即纠正。