

作品包括:
Word版设计说明书1份
CAD版本图纸,共9张
UG三维图一份
摘要
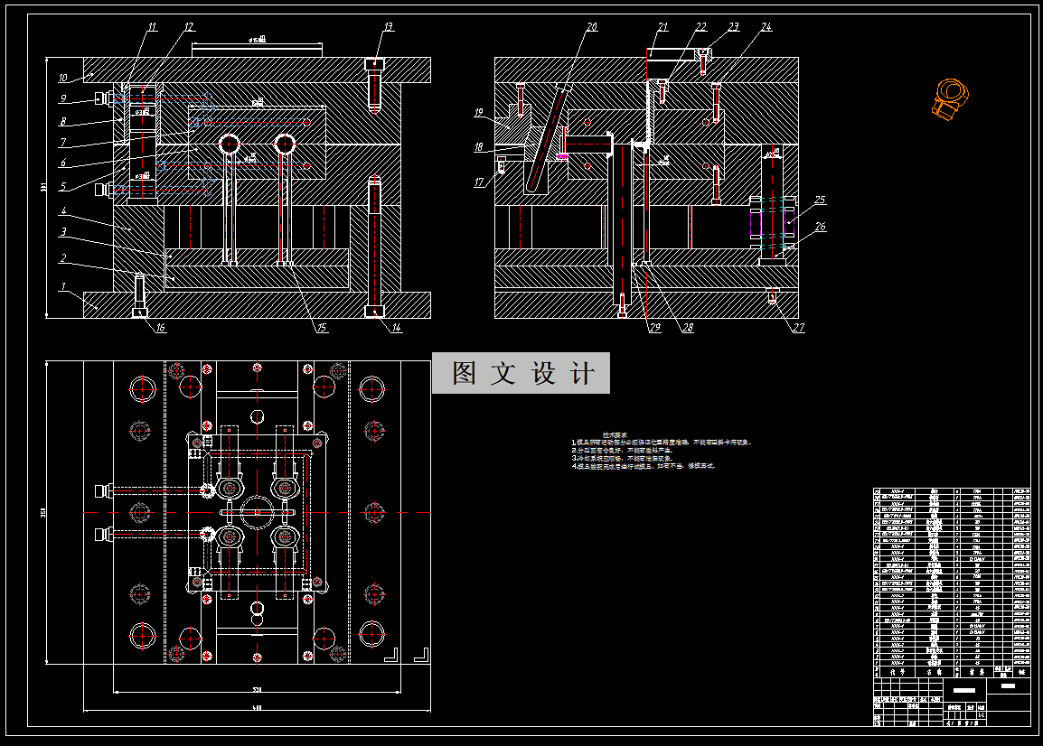
塑料模具工业在中国的制造业市场发展越来越迅速,模具设计和制作市场也随之变得越来越大,也因此塑料制品在我们生活的方方面面扮演者不可或缺的角色。通过分析它的外部形状结构和尺寸大小,再加上制品的产量和塑料原材料的工艺性能等因素,对分型面位置和模具的型腔排列进行了比较详细合理设计,模具决定采用一模四腔H形排列方式,分型面设计为单分型面,在浇口的选择上经过分析设计认为侧浇口方式来制造更好一些。其次,再由塑件成型所需注射量的大小对注塑机进行了选定HTF86TJ型号注塑机,最后还对注塑机相关重要参数做了校核。最后为生产拖把柄挂环的塑料模具设计一套冷却系统和排气系统,这样能够提高产品的成型质量和生产效率
温馨提示:
1、题目前面的备注【字母数字编号】为本站整理分类的编号,与课题内容无关,请选题时忽视;
2、若题目上备注三维,则表示文件里包含三维源文件,由于三维组成零件数量较多,为保证预览截图的简洁性,本站将三维文件夹进行了打包。三维及CAD预览截图,均为本站电脑打开软件进行截图的,保证能够打开,下载原件超高清,下载后解压即可;
3、本站所有资源如无特殊说明,都需要本地电脑安装Office2007。图纸软件为AutoCAD,PROE,UG,SolidWorks,CATIA等;
4、本站所有图文资料仅供用户学习参考,不作为任何商用或其他用途;
5、本站不保证下载资源的准确性、安全性和完整性, 不包修改,不支持退换,同时也不承担用户因使用这些下载资源对自己和他人造成任何形式的伤害或损失;
6、 下载文件中如有侵权或不适当内容,请与我们联系,我们立即纠正。