

作品包括:
Word版设计说明书1份
CAD版本图纸,共14张
SW三维图一份
仿真动画视频一份
摘要
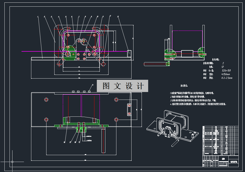
在现代工业生产中,金属板材具有重量轻、生产效率高、且能制出复杂剖面形状等优点,已成为应用最广泛的型材。折弯机是最重要的金属板材成型加工设备之一,因此折弯机的设计对于金属板材的加工具有重要意义。由于手动折弯机不需要电能,而且操作简单、维修方便及价格便宜,因此,手动折弯机被人们普遍接受,手动折弯机一般用于比较薄的金属板的折弯,本次设计是针对折弯矩形风管所设计的手动折弯机。消防风管是建筑物用于排烟、通风的重要部件之一。所设计的矩形风管折弯机主要包括安装板、导向板、折弯模具、限位装置、手动折弯装置组成。工作前调节齿轮连杆将辊子轴调节到最低端位置,然后将镀锌金属板材通过安装板顶部与折弯模具底部的间隙通过人工传送到工作位置,镀锌金属板材限位将由限位装置完成,随后人工作用在手动折弯装置上,通过齿轮连杆将辊子轴沿着导向板上的所开凹槽路径移动,完成矩形风管的折弯工作,此次课题所设计的矩形风管折弯机设备具有轻巧便利,简单易操作的特点。
温馨提示:
1、题目前面的备注【字母数字编号】为本站整理分类的编号,与课题内容无关,请选题时忽视;
2、若题目上备注三维,则表示文件里包含三维源文件,由于三维组成零件数量较多,为保证预览截图的简洁性,本站将三维文件夹进行了打包。三维及CAD预览截图,均为本站电脑打开软件进行截图的,保证能够打开,下载原件超高清,下载后解压即可;
3、本站所有资源如无特殊说明,都需要本地电脑安装Office2007。图纸软件为AutoCAD,PROE,UG,SolidWorks,CATIA等;
4、本站所有图文资料仅供用户学习参考,不作为任何商用或其他用途;
5、本站不保证下载资源的准确性、安全性和完整性, 不包修改,不支持退换,同时也不承担用户因使用这些下载资源对自己和他人造成任何形式的伤害或损失;
6、 下载文件中如有侵权或不适当内容,请与我们联系,我们立即纠正。