

作品包括:
Word版设计说明书1份
开题报告一份
CAD版本图纸,共7张
摘要
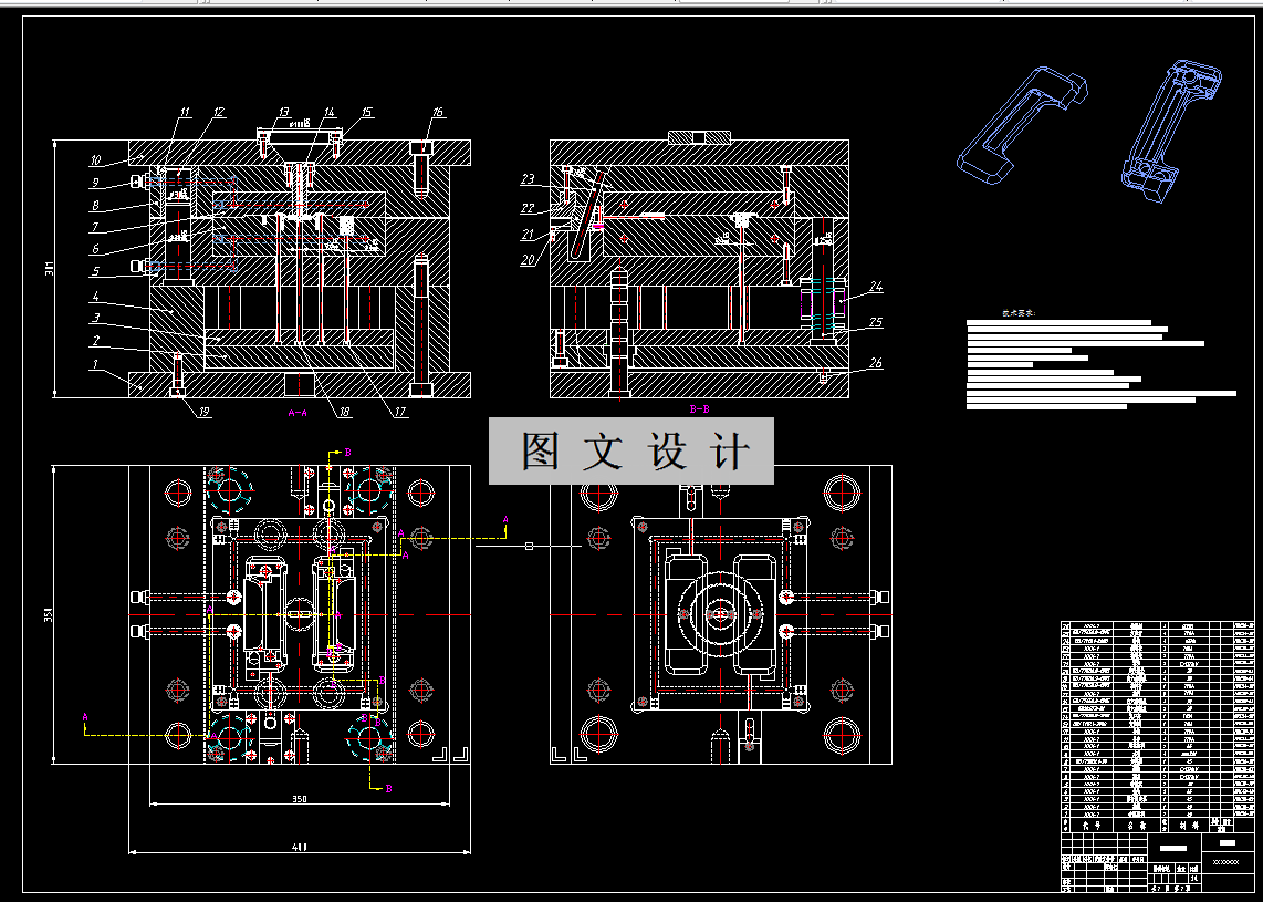
本次设计的内容就是进行座椅扶手注塑成型模具的设计,通过课堂上所学的模具理论知识为座椅扶手设计一副模具。本次设计模具方案型腔个数为一模两腔,进料通过侧浇口完成,注射所用设备为型号为XS-ZY-250,然后为注塑模具设计的浇注系统、脱模机构、侧向抽芯机构、温度调节系统、排气系统等。其中,浇注系统中包括有主流道、分流道、浇口等以及冷料穴等,脱模主要通过推杆推出座椅扶手来实现,设计了斜导柱+滑块作为本次设计的侧向抽芯机构装置。成型零部件部分的设计选择了整体式型芯、型腔并做出了相应尺寸的计算、通过文字,图纸与相关计算来对模具结构进行设计与计算,这样设计出符合要求的模具。
温馨提示:
1、题目前面的备注【字母数字编号】为本站整理分类的编号,与课题内容无关,请选题时忽视;
2、若题目上备注三维,则表示文件里包含三维源文件,由于三维组成零件数量较多,为保证预览截图的简洁性,本站将三维文件夹进行了打包。三维及CAD预览截图,均为本站电脑打开软件进行截图的,保证能够打开,下载原件超高清,下载后解压即可;
3、本站所有资源如无特殊说明,都需要本地电脑安装Office2007。图纸软件为AutoCAD,PROE,UG,SolidWorks,CATIA等;
4、本站所有图文资料仅供用户学习参考,不作为任何商用或其他用途;
5、本站不保证下载资源的准确性、安全性和完整性, 不包修改,不支持退换,同时也不承担用户因使用这些下载资源对自己和他人造成任何形式的伤害或损失;
6、 下载文件中如有侵权或不适当内容,请与我们联系,我们立即纠正。