

作品包括:
Word版设计说明书1份,共22页,约8300字
工序卡1张
工艺过程卡1张
CAD版本图纸,共7张
UG三维图一份
SW三维图一份
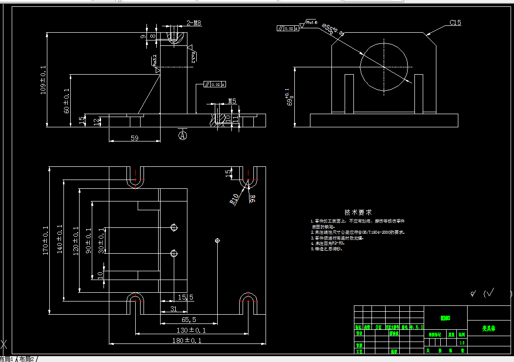
![1736556167123998.png QFRR2{)0ZY2)WF]9D(5XZPQ.png](/uploadfiles/20250111/1736556167123998.png)
目 录
摘 要 2
Abstract 3
1 绪论 6
1.1 课题研究背景 6
1.2 主要研究目标 6
2零件的结构分析 8
2.1零件功用、结构及特点 8
2.2尺寸公差分析 8
2.3表面粗糙公差分析 9
2.3 形位公差和技术要求的分析 9
3 加工工艺规程设计 11
3.1 确定生产类型 11
3.2确定毛坯的制造形式 11
3.3确定毛坯尺寸 11
3.4定位基准的选择 12
3.5确定零件表面加工方法 12
3.6 工艺路线方案的分析与比较 12
3.6 选择加工设备与工艺设备 14
3.7 切削用量计算 15
5 工序12 钻孔专用夹具 17
5.1 工序12的要求 17
4.2 钻床夹具定位设计 17
4.3 钻床夹具导向设计 18
4.4 钻床夹具支撑设计 19
4.5 完整图纸 19
总 结 20
致 谢 21
参考文献22
温馨提示:
1、题目前面的备注【字母数字编号】为本站整理分类的编号,与课题内容无关,请选题时忽视;
2、若题目上备注三维,则表示文件里包含三维源文件,由于三维组成零件数量较多,为保证预览截图的简洁性,本站将三维文件夹进行了打包。三维及CAD预览截图,均为本站电脑打开软件进行截图的,保证能够打开,下载原件超高清,下载后解压即可;
3、本站所有资源如无特殊说明,都需要本地电脑安装Office2007。图纸软件为AutoCAD,PROE,UG,SolidWorks,CATIA等;
4、本站所有图文资料仅供用户学习参考,不作为任何商用或其他用途;
5、本站不保证下载资源的准确性、安全性和完整性, 不包修改,不支持退换,同时也不承担用户因使用这些下载资源对自己和他人造成任何形式的伤害或损失;
6、 下载文件中如有侵权或不适当内容,请与我们联系,我们立即纠正。