

作品包括:
Word版设计说明书1份
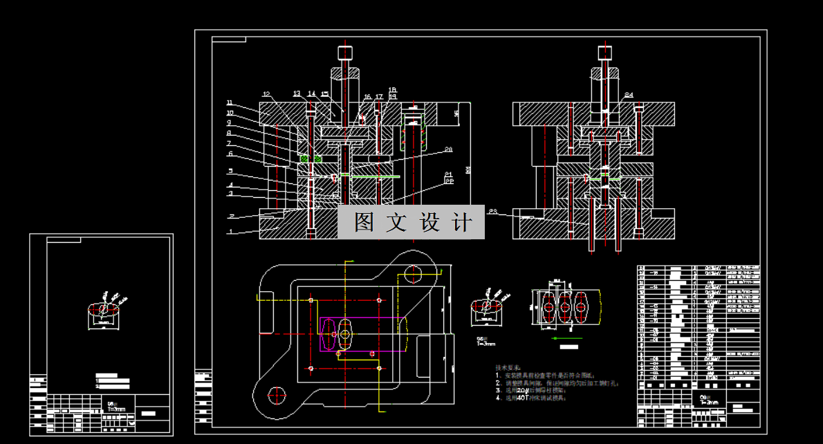
CAD版本图纸,共13张
UG三维图一份
摘要
该冲压模具设计中,选取的设计题目是正装式复合模具冲压成型加工工艺分析与模具设计,本次设计的主要内容有对冲压零件制品的技术参数和产品结构详情进行分析和考量,确定制品的加工方式为正装式复合模具的加工形式,在此基础上对制品性能进行分析,确定加工材料以及加工器械。确定好加工方式后,对模具的排样方式、冲裁力、冲裁零部件等方式进行分析和计算。确定以上相关内容后,采用软件对冲压模具的图纸进行绘制。最后确定该冲压模具的装配流程以及相关的注意事项,确保模具装配过程符合要求。通过上述流程后,完成了本次模具的设计和分析。 通过对该制品的冲压模具的设计和分析后,得到的模具具有可靠性强、运行稳定的特点,十分适合于大批量加工生产,可以有效的降低模具的加工成本以及提高生产效率。此外,在本次模具设计过程中,对自身的专业技术能力和技术水平都是一次提升。1682641
温馨提示:
1、题目前面的备注【字母数字编号】为本站整理分类的编号,与课题内容无关,请选题时忽视;
2、若题目上备注三维,则表示文件里包含三维源文件,由于三维组成零件数量较多,为保证预览截图的简洁性,本站将三维文件夹进行了打包。三维及CAD预览截图,均为本站电脑打开软件进行截图的,保证能够打开,下载原件超高清,下载后解压即可;
3、本站所有资源如无特殊说明,都需要本地电脑安装Office2007。图纸软件为AutoCAD,PROE,UG,SolidWorks,CATIA等;
4、本站所有图文资料仅供用户学习参考,不作为任何商用或其他用途;
5、本站不保证下载资源的准确性、安全性和完整性, 不包修改,不支持退换,同时也不承担用户因使用这些下载资源对自己和他人造成任何形式的伤害或损失;
6、 下载文件中如有侵权或不适当内容,请与我们联系,我们立即纠正。