

作品包括:
Word版说明书1份,共9页,约2300字
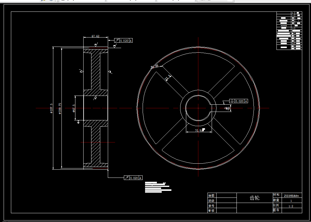
CAD版本图纸,共2张
![1736043917915329.png G`)([2HZ2VBBA$]F{Z{~XDU.png](/uploadfiles/20250105/1736043917915329.png)
1 设计任务
1.1已知条件
1. 推力Fr(N):500
2. 往返次数N(min):240
3. 步长S(mm):450
6. 高度H(mm):800—1000
7. 工作机构效率:0.95
8. 使用年限(年):8
9. 工作制度(班/日):2
10. 载荷:中等载荷
11. 使用电源:三相交流电源
1.2 设计要求
1. 设计出满足已知条件要求工件主要的部分
2.往复次数误差 ≤±0.05
3. 机构最小传动角r≥40°
4. 摇杆的摆角初选40°~50°,再由步长确定摇杆的长度。
5. 推荐取LCD≈(0.6~0.7)LDE LEF≈(0.3~0.6)LDE.
6. 根据形成速比系数及传动角要求确定绞点A的位置及曲柄,连杆的长度。
1.3 设计任务
1. 拟定出工作机构和传动系统运动方案
2. 设计工件间歇输送机构总装配图一张
3.绘制大齿轮零件图一张。
4. 编写设计说明书一份(工作机构的设计计算,电动机的选择,传动系统和动力参数计算,减速器的选择和计算)
温馨提示:
1、题目前面的备注【字母数字编号】为本站整理分类的编号,与课题内容无关,请选题时忽视;
2、若题目上备注三维,则表示文件里包含三维源文件,由于三维组成零件数量较多,为保证预览截图的简洁性,本站将三维文件夹进行了打包。三维及CAD预览截图,均为本站电脑打开软件进行截图的,保证能够打开,下载原件超高清,下载后解压即可;
3、本站所有资源如无特殊说明,都需要本地电脑安装Office2007。图纸软件为AutoCAD,PROE,UG,SolidWorks,CATIA等;
4、本站所有图文资料仅供用户学习参考,不作为任何商用或其他用途;
5、本站不保证下载资源的准确性、安全性和完整性, 不包修改,不支持退换,同时也不承担用户因使用这些下载资源对自己和他人造成任何形式的伤害或损失;
6、 下载文件中如有侵权或不适当内容,请与我们联系,我们立即纠正。