欢迎来到龙图网在线图文分享平台-CAD图纸,设计说明书,工业设计3D模型,三维软件下载!   客服QQ:2363701252
热搜:

工艺夹具 模具设计 数控编程 土木工程 3D模型

N3121-板材单点增量成形夹具设计 下载积分:50 资料编号: N3121

1.打开支付宝或者微信扫描二维码。
2.填写金额:50 
3.添加备注,填写资料编号:
资料编号: N3121
4.支付成功后,请发资料编号到邮箱:jxsj168@qq.com
会有专人在15分钟内把资料发到您邮箱
备注:如果付款忘记填写资料编号,则发邮件时附带您的交易明细截图即可。
请耐心等待,如超过30分钟还没收到,请联系客服QQ:2363701252
点击分享:

作品描述

作品包括:

Word版设计说明书1份,共39页,约13000字

CAD版本图纸,共4张

image.png

摘要

单点增量成形作为一种新型板材柔性无模成形技术,其基于分层制造思想,通过工具头一层一层加工金属板料,柔性化程度高,利用局部变形实现金属板料零件的加工。和传统冲压成形相比,不需要专用设备和模具,能够缩短产品研发周期,降低产品研发成本,特别适用于多品种、小批量以及个性化生产,在汽车、船舶、家电、航天航空等领域有广泛的应用前景。当前单点增量成形过程中一般采用上下压板和螺栓对板料进行夹持,其过程需要人工辅助,严重影响加工效率,为了解决这一问题,需要设计一种具有自动压紧定位功能的新型板材单点增量成形夹具。

采用有限元仿真和实验相结合的方法,得到单点增量成形过程中各向变形力的变化规律,对其成形角、层间距、板料厚度及工具头直径对变形力的影响进行研究,得到不同工艺参数下成形过程的最大变形力;根据得到的最大变形力选择成形夹具的压板尺寸和压紧方式,分别利用AutoCAD和Solidworks软件进行成形夹具的二维和三维设计,并对夹具的可行性进行三维动画模拟,最终得到一种可以大幅度提高装夹效率的成形夹具。

关键词:单点增量成形;数值分析与建模;变形力;夹具设计;

目录

摘要I

Abstract: II

1绪论1

1.1单点增量成形的原理1

1.2单点增量成形的国内外研究现状2

1.3本文研究主要内容3

2单点增量成形过程变形力分析5

2.1单点增量成形变形力理论解析5

2.2单点增量成形变形力数值模拟8

2.2.1有限元数值模拟参数设定8

2.2.2变形力模拟结果12

2.2.3工艺参数对变形力的影响14

3单点增量成形过程变形力实验研究19

3.1实验设备介绍19

3.2基于UG的NC代码生成20

3.2.1成形件实体建模21

3.2.2单点增量成形过程加工轨迹的生成21

3.2.3后处理NC程序的生成23

3.3实验结果和模型验证23

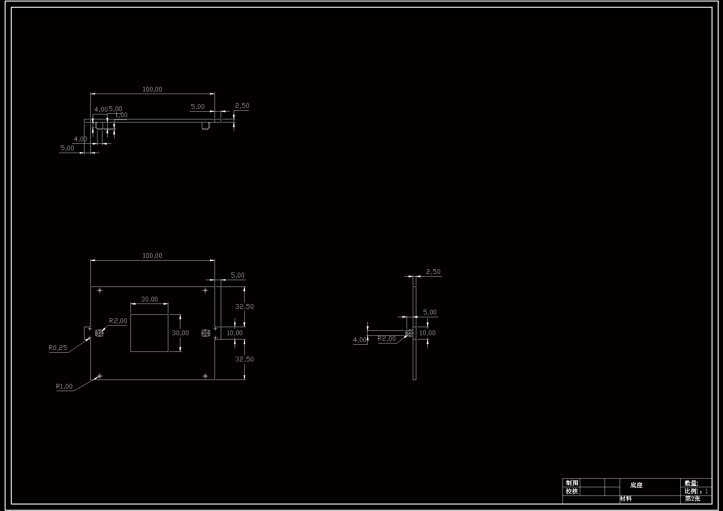
4单点增量成形夹具设计27

结论32

致谢33

参考文献34

温馨提示:

1、题目前面的备注【字母数字编号】为本站整理分类的编号,与课题内容无关,请选题时忽视;

2、若题目上备注三维,则表示文件里包含三维源文件,由于三维组成零件数量较多,为保证预览截图的简洁性,本站将三维文件夹进行了打包。三维及CAD预览截图,均为本站电脑打开软件进行截图的,保证能够打开,下载原件超高清,下载后解压即可;

3、本站所有资源如无特殊说明,都需要本地电脑安装Office2007。图纸软件为AutoCAD,PROE,UG,SolidWorks,CATIA等;

4、本站所有图文资料仅供用户学习参考,不作为任何商用或其他用途;
5、本站不保证下载资源的准确性、安全性和完整性, 不包修改,不支持退换,同时也不承担用户因使用这些下载资源对自己和他人造成任何形式的伤害或损失;

6、 下载文件中如有侵权或不适当内容,请与我们联系,我们立即纠正。


线