

作品包括:
Word版设计说明书1份,共32页,约15000字
外文翻译一份
CAD版本图纸,共4张

摘要
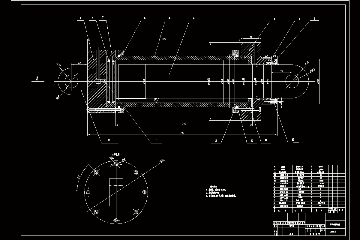
说明书模仿机械手的基本功能和设计思路,根据给定的规定动作顺序,综合运用所学的基本理论、基本知识和相关的机械设计专业知识,完成了机械手的设计,并绘制必要的零部件图和装配图,其中包括机器装置的原理方案构思和拟定;原理方案的实现、传动方案的设计;主要结构的设 计简图;设计计算与说明;控制油路系统的设计。 工业机械手设计的主要技术关键问题为:夹持机构的夹紧与翻转;行程机构的转向与伸缩;提升机构的提升;控制油路系统的设计。 关键词:工业机械手;手爪;伸缩油缸;转动油缸
温馨提示:
1、题目前面的备注【字母数字编号】为本站整理分类的编号,与课题内容无关,请选题时忽视;
2、若题目上备注三维,则表示文件里包含三维源文件,由于三维组成零件数量较多,为保证预览截图的简洁性,本站将三维文件夹进行了打包。三维及CAD预览截图,均为本站电脑打开软件进行截图的,保证能够打开,下载原件超高清,下载后解压即可;
3、本站所有资源如无特殊说明,都需要本地电脑安装Office2007。图纸软件为AutoCAD,PROE,UG,SolidWorks,CATIA等;
4、本站所有图文资料仅供用户学习参考,不作为任何商用或其他用途;
5、本站不保证下载资源的准确性、安全性和完整性, 不包修改,不支持退换,同时也不承担用户因使用这些下载资源对自己和他人造成任何形式的伤害或损失;
6、 下载文件中如有侵权或不适当内容,请与我们联系,我们立即纠正。