

作品包括:
Word版设计说明书1份,共50页,约14000字
任务书一份
开题报告一份
外文翻译一份
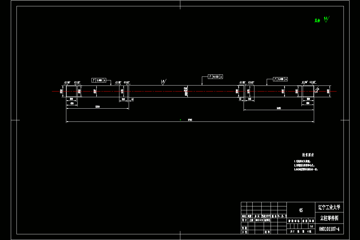
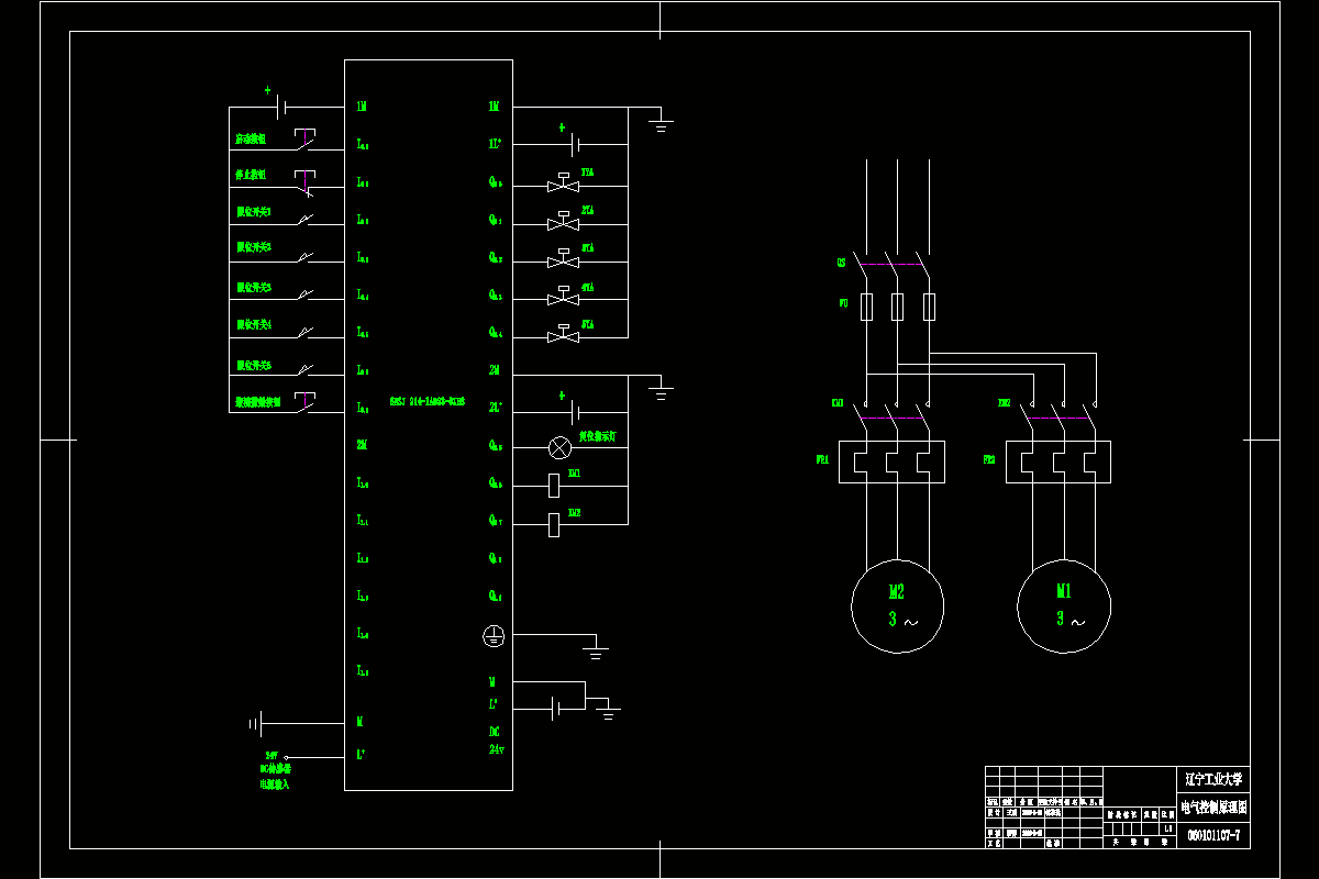
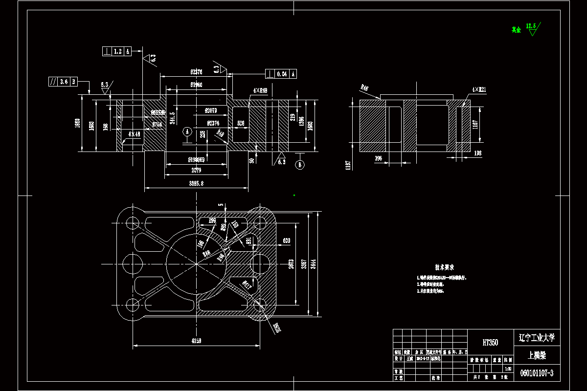
CAD版本图纸,共7张
摘要
本次题目是模锻液压机,该液压机主要用于模锻大型铝、镁合金、钛合金以及各种高温合金的模锻件。 模锻液压机的工作原理是根据帕斯卡原理制成的,它利用液体压力来传递能量,以实现各种压力加工工艺要求。通过PLC完成对液压系统中各类液压阀的控制,实现液压机的启动—空程快速下降—工作加压—回程—顶出缸的顶出—退回整个过程。现在的工业生产中,毛坯的锻压大多是通过人工操作来实现对毛坯捶打的动作和捶打的次数,可以说工件的每个制作过程都需要人的参与。因此,通过具有通用性强、适应面广、可靠性高、抗干扰能力强、编程简单等诸多特点的PLC来控制模锻液压机的各类液压阀,来实现对工作横梁的速度、行程、模锻次数等的控制,大大节约了人力,同时也将发生事故的几率进一步降低。
温馨提示:
1、题目前面的备注【字母数字编号】为本站整理分类的编号,与课题内容无关,请选题时忽视;
2、若题目上备注三维,则表示文件里包含三维源文件,由于三维组成零件数量较多,为保证预览截图的简洁性,本站将三维文件夹进行了打包。三维及CAD预览截图,均为本站电脑打开软件进行截图的,保证能够打开,下载原件超高清,下载后解压即可;
3、本站所有资源如无特殊说明,都需要本地电脑安装Office2007。图纸软件为AutoCAD,PROE,UG,SolidWorks,CATIA等;
4、本站所有图文资料仅供用户学习参考,不作为任何商用或其他用途;
5、本站不保证下载资源的准确性、安全性和完整性, 不包修改,不支持退换,同时也不承担用户因使用这些下载资源对自己和他人造成任何形式的伤害或损失;
6、 下载文件中如有侵权或不适当内容,请与我们联系,我们立即纠正。