

作品包括:
Word版设计说明书1份
开题报告一份
外文翻译一份
CAD版本图纸,共13张
SW三维图一份
摘要
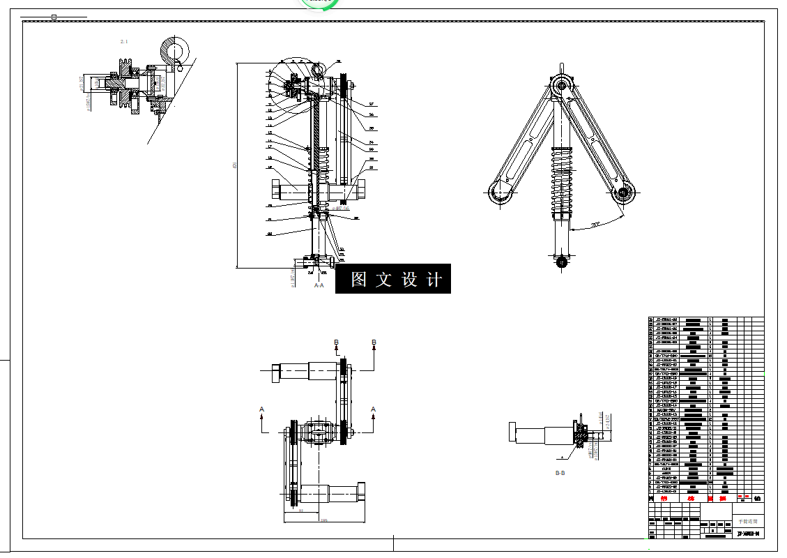
现如今大多数机器人方面的研究都是在关注仿生机器人和爬行式机器人的研究上,但是在地震或者火灾中遇到复杂的地形环境时,以上两种机器人就很难发挥到应有作用,所以相对于这些特殊环境来说,跳跃机器人就能很好的解决在复杂地形环境中的问题,他可以跳跃过去,首先介绍机器人的目前发展状况,然后说明此课题的研究目的和方向。 下面将总结目前所拥有的单足弹跳机器人的缺陷,然后再说明此课题所提出的新型单足弹跳机器人。此机器人不同以往的机器人结构,动力源也不安放在腿上,而是将驱动原件安装在单足弹跳机器人的两条手臂上,然后靠机器人的整体结构来实现机器人的站立、飞跃、还有连续跳动飞跃过程中的力平衡,然后进行运动分析,对机械结构进行动力学建模,再运用软件MATLAB对其进行仿真判断前面所进行的分析处理是否正确,如果不正确,在反复校核,最后进行结构优化,以得到最优。
温馨提示:
1、题目前面的备注【字母数字编号】为本站整理分类的编号,与课题内容无关,请选题时忽视;
2、若题目上备注三维,则表示文件里包含三维源文件,由于三维组成零件数量较多,为保证预览截图的简洁性,本站将三维文件夹进行了打包。三维及CAD预览截图,均为本站电脑打开软件进行截图的,保证能够打开,下载原件超高清,下载后解压即可;
3、本站所有资源如无特殊说明,都需要本地电脑安装Office2007。图纸软件为AutoCAD,PROE,UG,SolidWorks,CATIA等;
4、本站所有图文资料仅供用户学习参考,不作为任何商用或其他用途;
5、本站不保证下载资源的准确性、安全性和完整性, 不包修改,不支持退换,同时也不承担用户因使用这些下载资源对自己和他人造成任何形式的伤害或损失;
6、 下载文件中如有侵权或不适当内容,请与我们联系,我们立即纠正。